HarmanKardon-AVR347-avr-电气原理图手册

HarmanKardon-AVR347-avr-电气原理图手册新质力文库 - 聚焦新质生产力发展的数字化知识库_行业洞察 / 理论成果 / 实践指南免费下载新质力文库
HarmanKardon-AVR347-avr-电气原理图手册
此内容为付费资源,请付费后查看
2233
立即购买
您当前未登录!建议登陆后购买,可保存购买订单
付费资源

第1页 / 共11页

第2页 / 共11页
试读已结束,还剩9页,您可下载完整版后进行离线阅读
THE END
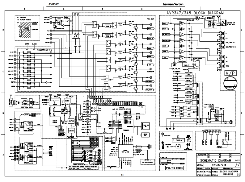
AVR347harman/kerdon1AVR347/345 BLOCK DIAGRAMk回☑D9e(n0¥MWW1197FC2回好好好好666/P不D-153母一9FL DISPLAY◎自1SCHEMATIC DIAGRAMAVR347/345POD/THE BRDOEDES CEO AFFDYE DAT】BLOCK DIAGRAM51747471190BCDZ
喜欢就支持一下吧
评论 抢沙发

请登录后发表评论

    请登录后查看评论内容