

第1页 / 共17页
试读已结束,还剩16页,您可下载完整版后进行离线阅读
THE END
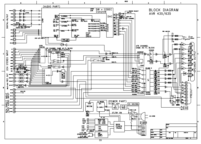
5(AUDIO PART)DIR CODECBLOCK DIAGRAMCS42518AVR435/635DAC费热假MtaM0MFa约M品DATAS(MDAT号n仅表:四DSP型网8即4◆FR CHANNELn6"品5o器0cSAWE AS FL BLOCK69450。M0F利BCH-L口0034-5四-蓟1”BCH-SBRECMi?(POWER PART)00000ST/BY +5VuS TOV/B0VCOE以4侧/ST/BY ON1出MAIN+57-可+2(POWER/VER33
请登录后查看评论内容