

第1页 / 共17页

第2页 / 共17页
试读已结束,还剩15页,您可下载完整版后进行离线阅读
THE END
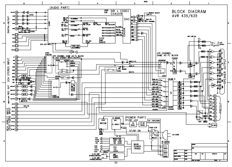
5(AUDIO PART)DIR◆CODECBLOCK DIAGRAMCS42518AVR435/635DAC费热假品MtaM0MFa约DATAS(MDAT号n仅表:DSP型网8即4◆FR CHANNELn6"品5o器0cSAWE AS FL BLOCK69450。MFBCH-L口00D-CTR¥34-5-1”BCH-SBRECMi?(POWER PART)9000000ST/BY +5VuS TOV/B0VCOE以4侧/ST/BY ON1出MAIN+5-可+2(POWER/VER33
请登录后查看评论内容