HarmanKardon-Citation2-pwr-电气原理图手册

HarmanKardon-Citation2-pwr-电气原理图手册新质力文库 - 聚焦新质生产力发展的数字化知识库_行业洞察 / 理论成果 / 实践指南免费下载新质力文库
HarmanKardon-Citation2-pwr-电气原理图手册
此内容为付费资源,请付费后查看
2233
立即购买
您当前未登录!建议登陆后购买,可保存购买订单
付费资源

第1页 / 共1页
已完成全部阅读,共1
THE END
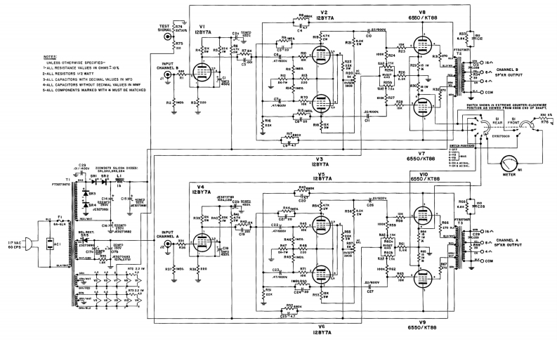
V2VB29Y7A6t0/kT8028Y7AcoNOTES:st8华G1eaf6PGF6I UT-人内EII时aNt%E移IN GHM鸭三O车2LC5TO52TTSPRR GUTPITS-ALL CARACITORS WITH DECMAL WLUES IN MOL4G⊙APONENTS MARKES前H票U5 T BE MATCNE语06▣咒V76550/KT88智盘密批A6559TeW海2BY7A5554Q4NE AV9v66580/KT882BY7A
喜欢就支持一下吧
评论 抢沙发

请登录后发表评论

    请登录后查看评论内容