HarmanKardon-Urei1605-mc-电气原理图手册

HarmanKardon-Urei1605-mc-电气原理图手册新质力文库 - 聚焦新质生产力发展的数字化知识库_行业洞察 / 理论成果 / 实践指南免费下载新质力文库
HarmanKardon-Urei1605-mc-电气原理图手册
此内容为付费资源,请付费后查看
2233
立即购买
您当前未登录!建议登陆后购买,可保存购买订单
付费资源

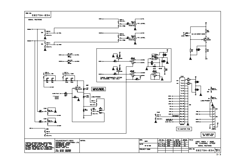
第1页 / 共37页

第2页 / 共37页
试读已结束,还剩35页,您可下载完整版后进行离线阅读
THE END
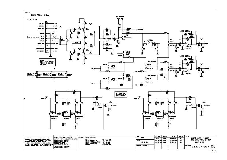
BAG MO.E8279A-83AtdE网于NPUT A E3网凳2器L/器品TMIDLESOUNDCRAFT/B5S%NOHANNEL STRIPm群票一日-解R -O-M 3AT车g出韶需FROJECT CSPEEa27A-a3A四y3.2
喜欢就支持一下吧
评论 抢沙发

请登录后发表评论

    请登录后查看评论内容