

第1页 / 共7页

第2页 / 共7页
试读已结束,还剩5页,您可下载完整版后进行离线阅读
THE END
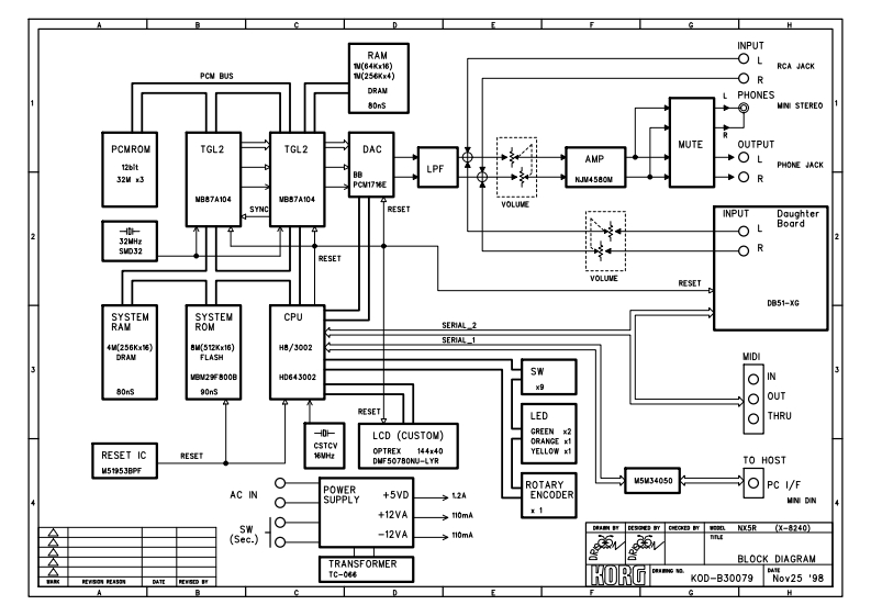
Service ManualNX5RCONTENTS1)Structural Diagram ----refer to NS5R2)Block Diagram --------23)Circuit Diagram -------34)Diagnostics-----------45)Parts List-------------5Revision:1.00Issued date:Aug.24.1999Issued by:KORG INC.
请登录后查看评论内容