

第1页 / 共18页

第2页 / 共18页
试读已结束,还剩16页,您可下载完整版后进行离线阅读
THE END
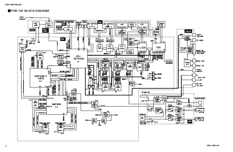
PORET0三PSR-740/PSR-640SERVICE MANUALPSR-740640■CONTENTSSPECIFICATIONS3/4PANEL LAYOUT5PSR-740 BLOCK DIAGRAM6PSR-640 BLOCK DIAGRAM.7CIRCUIT BOARD LAYOUT9DISASSEMBLY PROCEDURE10LSI PIN DESCRIPTION14IC BLOCK DIAGRAM19CIRCUIT BOARDS20TEST PROGRAM025/27DATA INITIALIZATION29ALERT MESSAGE LIST30/32MIDI DATA FORMAT…34PSR-740 MIDI IMPLEMENTATION CHART49PSR-640 MIDI IMPLEMENTATION CHART...50PARTS LISTOVERALL CIRCUIT DIAGRAMYAMAHAPK001627HAMAMATSU,JAPANPSR.74019990901-1600001.82K-9201:Printed in Japan '99.08PSR-64019990901-120000
请登录后查看评论内容