工件的表面修饰-任务单

工件的表面修饰-任务单新质力文库 - 聚焦新质生产力发展的数字化知识库_行业洞察 / 理论成果 / 实践指南免费下载新质力文库
工件的表面修饰-任务单
此内容为付费资源,请付费后查看
1319
立即购买
您当前未登录!建议登陆后购买,可保存购买订单
付费资源

第1页 / 共2页

第2页 / 共2页
已完成全部阅读,共2
THE END
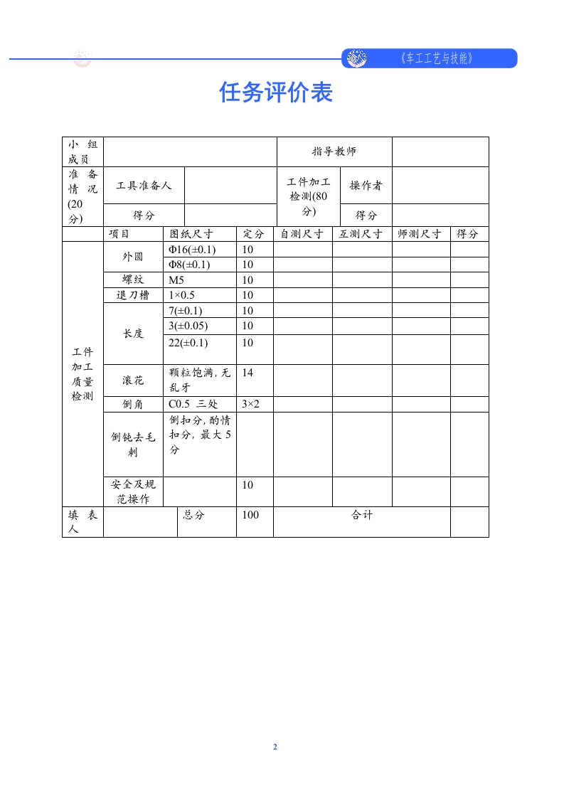
任务工艺卡任务工艺卡班级:姓名:年月日任务名称5.1工件的表面修饰在如图5-1所示工件手柄Φ16的外圆上滚出网纹。-.3任务内容工件的表面修饰加工一般有滚花加工和抛光加工两种。滚花是在车务分析床上用滚花刀滚压而成,一般用于工具和机器上的手柄捏手部分,利用滚花以增强摩擦力或增加零件表面美观。本任务只要求实现外圆滚花。正确安装滚花刀,利用其挤压工件便可实现滚花。操作步骤任务小结
喜欢就支持一下吧
评论 抢沙发

请登录后发表评论

    请登录后查看评论内容