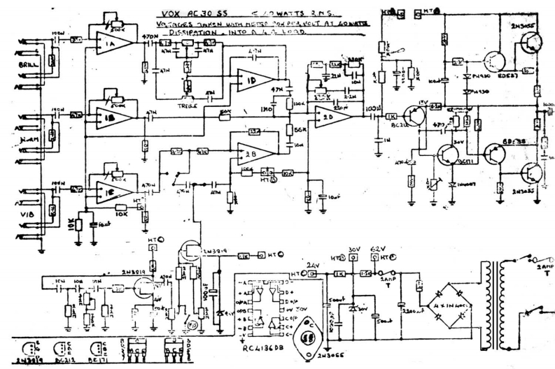
ac30ss维修电器原理图说明书手册348072@abc6个月前发布关注私信0.15MB1页034ac30ss维修电器原理图说明书手册此内容为付费资源,请付费后查看¥18¥21黄金会员免费钻石会员免费立即购买您当前未登录!建议登陆后购买,可保存购买订单付费资源 第1页 / 共1页 已完成全部阅读,共1页 THE END说明书手册 喜欢就支持一下吧收藏
请登录后查看评论内容