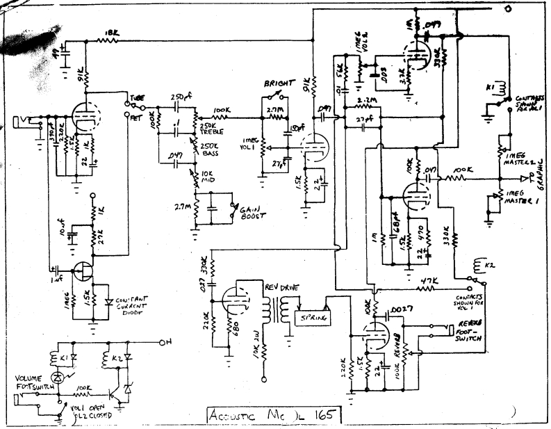
acoustic_165维修电器原理图说明书手册348072@abc6个月前发布关注私信0.21MB3页040acoustic_165维修电器原理图说明书手册此内容为付费资源,请付费后查看¥18¥21黄金会员免费钻石会员免费立即购买您当前未登录!建议登陆后购买,可保存购买订单付费资源 第1页 / 共3页 试读已结束,还剩2页,您可下载完整版后进行离线阅读 THE END说明书手册 喜欢就支持一下吧收藏
请登录后查看评论内容