Aiwa-CXN999MK2-cs-电气原理图手册

Aiwa-CXN999MK2-cs-电气原理图手册新质力文库 - 聚焦新质生产力发展的数字化知识库_行业洞察 / 理论成果 / 实践指南免费下载新质力文库
Aiwa-CXN999MK2-cs-电气原理图手册
此内容为付费资源,请付费后查看
1821
立即购买
您当前未登录!建议登陆后购买,可保存购买订单
付费资源

第1页 / 共20页
试读已结束,还剩19页,您可下载完整版后进行离线阅读
THE END
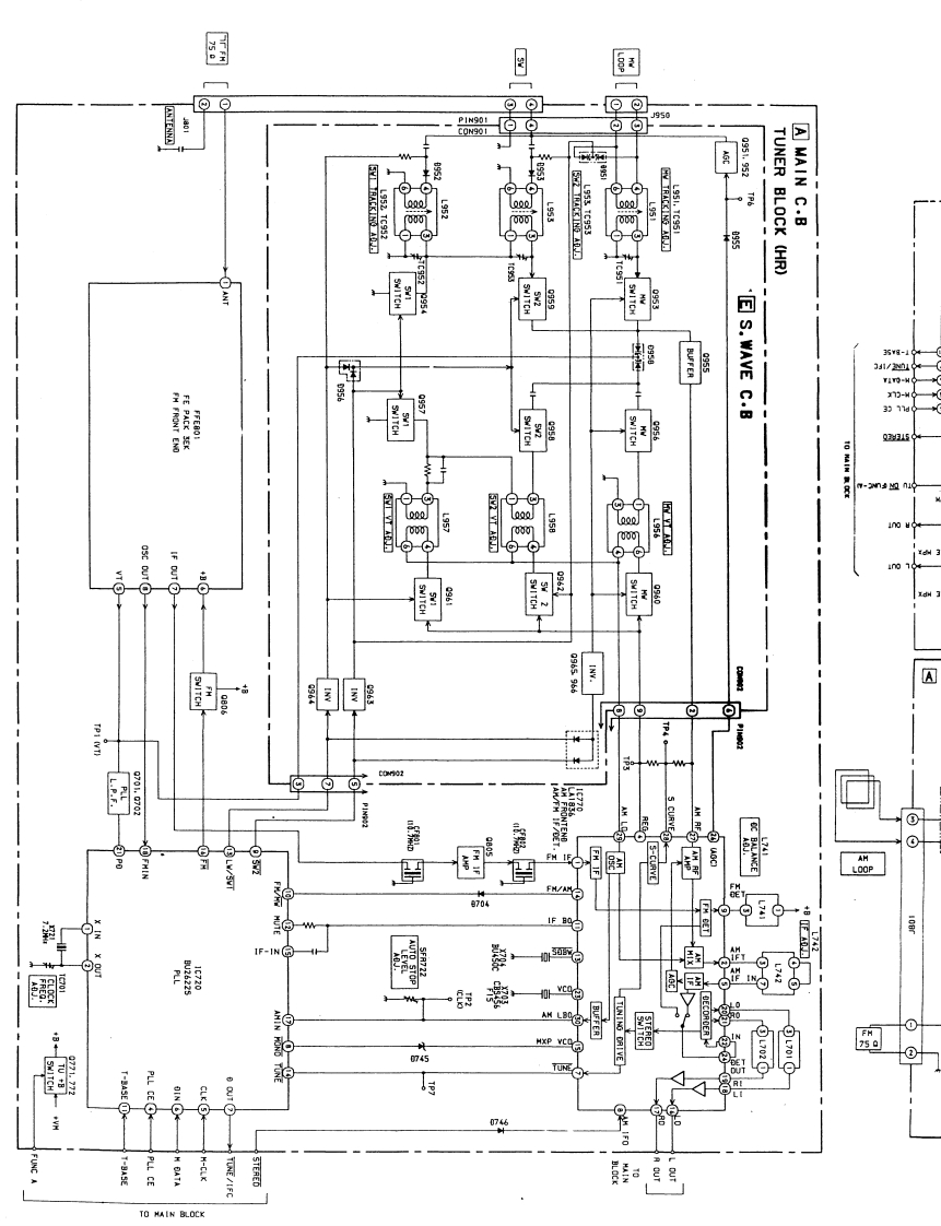
图网国⊙8552719219517#95C55真Tc351一[肉A MAIN C.B0000WTUNER BLOCK (HR)TU351ES.WAVE C.B3S-1TITO-N图3边11dQ15m-n边n19H 3囚5 CURVE桑国LOOPX INIF-IN合be影09TLNING DRIVE置0745TU不T-BASE 17学1-3ETUNE/IFCSTERED号号TO HAIN BLOCK
喜欢就支持一下吧
评论 抢沙发

请登录后发表评论

    请登录后查看评论内容