Aiwa-LCX100-cs-电气原理图手册

Aiwa-LCX100-cs-电气原理图手册新质力文库 - 聚焦新质生产力发展的数字化知识库_行业洞察 / 理论成果 / 实践指南免费下载新质力文库
Aiwa-LCX100-cs-电气原理图手册
此内容为付费资源,请付费后查看
1525
立即购买
您当前未登录!建议登陆后购买,可保存购买订单
付费资源

第1页 / 共10页
试读已结束,还剩9页,您可下载完整版后进行离线阅读
THE END
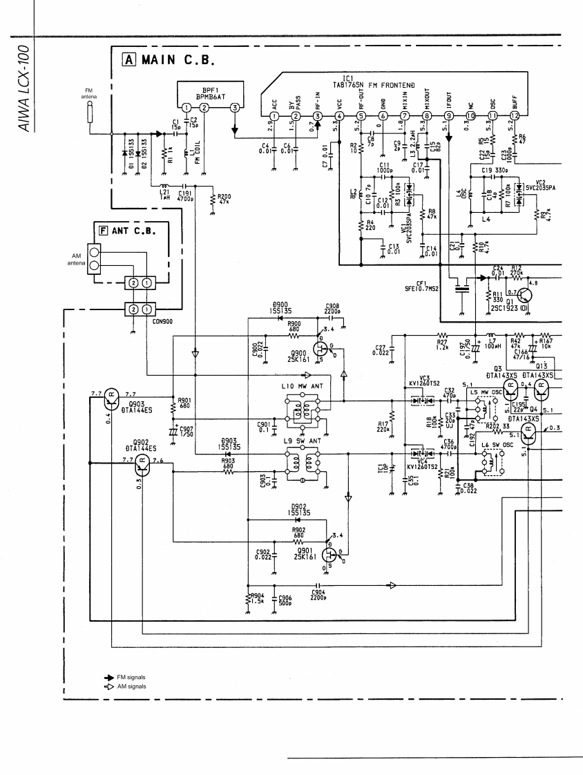
AMAIN C.B.TA81765N FM FRONTENOFMantenaHB6AT0-②NIXIHLn0X IH⑤⑦21555129c19330加气2脱F ANT C.B路8立器6SFETO.7M520125C19230CON900100*H2881030137,77,7LS MWe082a45.9TA143X5亚粥盟330.3DrR9ES13357.76器◆FM signals个AM signals
喜欢就支持一下吧
评论 抢沙发

请登录后发表评论

    请登录后查看评论内容