KB9YIG_SoftRock_参考电器原理图_2010

KB9YIG_SoftRock_参考电器原理图_2010新质力文库 - 聚焦新质生产力发展的数字化知识库_行业洞察 / 理论成果 / 实践指南免费下载新质力文库
KB9YIG_SoftRock_参考电器原理图_2010
此内容为付费资源,请付费后查看
1723
立即购买
您当前未登录!建议登陆后购买,可保存购买订单
付费资源

第1页 / 共3页
试读已结束,还剩2页,您可下载完整版后进行离线阅读
THE END
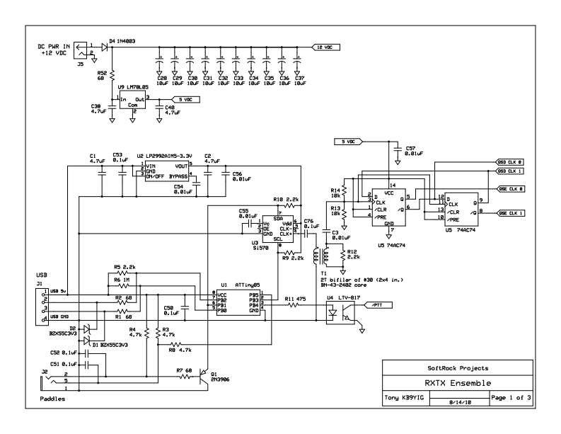
D41h4023DC PHR IN2+12D℃KT卡卡卡卡U9 LH78L85In Dut484.7VDEU2LP2992m1M5-3.3Wc24.7uF64,7uFvINC5D立KeVOUTC36CSD CLK 1CN/CFF BYPASS.01uFS4,143148.31uFG位Lx▣18VCCR1e2.25CLKCLKG55R13CLR1301F1a数CLRP匠10OBE CLK 1SDAG76PREveD包K-3.IuFC37U5白K+74AC74U35LB.81uF578574AC74R12R92.2k2,2k52,2kUSB1胎1N2T bifilar of t38 (2x4 in.)ATTinyB3-43-2482c0r。别R11475U4LT-817v■5PB1PB阳CNDUSa GHDR1692s5e号R4R3以n0s5c3R84.7kC510.1FHhR768SoftRock Projects5213906RXTX EnsemblePaddlesTony KB9YIG81418Page 1 of 3
喜欢就支持一下吧
评论 抢沙发

请登录后发表评论

    请登录后查看评论内容