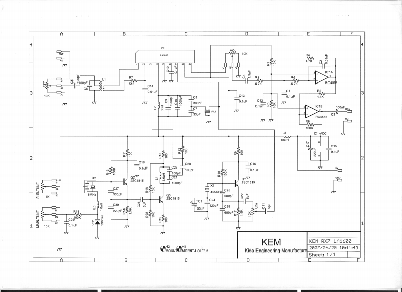
KEM_RX7-LA1600_参考电器原理图

KEM_RX7-LA1600_参考电器原理图新质力文库 - 聚焦新质生产力发展的数字化知识库_行业洞察 / 理论成果 / 实践指南免费下载新质力文库
KEM_RX7-LA1600_参考电器原理图
此内容为付费资源,请付费后查看
1723
立即购买
您当前未登录!建议登陆后购买,可保存购买订单
付费资源

第1页 / 共1页
已完成全部阅读,共1
THE END
IC1AC130.1uf1KT330p01FC12C1日必C1VCC6BuHC152C20028100FT1pOpF0.1uFQ2%21815丁1000gF25C1015R.C2745KeC2600gfTC1C2490123pFKEMKEM-RX7-LA1600C格UNHOL332807/04/2918:11:43Kida Engineering ManufactureSheet:1/1
喜欢就支持一下吧
评论 抢沙发

请登录后发表评论

    请登录后查看评论内容