Akai-1721-WL-维修电器原理图手册

Akai-1721-WL-维修电器原理图手册新质力文库 - 聚焦新质生产力发展的数字化知识库_行业洞察 / 理论成果 / 实践指南免费下载新质力文库
Akai-1721-WL-维修电器原理图手册
此内容为付费资源,请付费后查看
1723
立即购买
您当前未登录!建议登陆后购买,可保存购买订单
付费资源

第1页 / 共1页
已完成全部阅读,共1
THE END
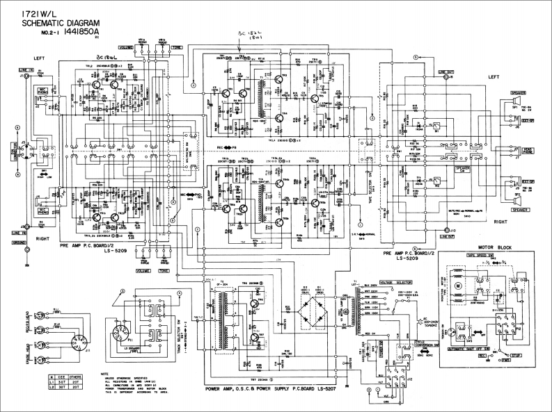
1721W/LSCHEMATIC DIAGRAMW02-11441850ALLEFTBc(uL四包LEFTnemop neraet六ea③m4RGHT色05■生k,n1配4重RIGHTDHEKP.C.BOARDV/2MOTOR BLOCKL5-5209PRE AMP P.C.BOARDI2L9-5209尾四a■I0品四POWER ANP.O.S.C.B POWERSUPPLY P.C.BOARD LS-5207
喜欢就支持一下吧
评论 抢沙发

请登录后发表评论

    请登录后查看评论内容