Akai-4000D-tape-电气原理图手册

Akai-4000D-tape-电气原理图手册新质力文库 - 聚焦新质生产力发展的数字化知识库_行业洞察 / 理论成果 / 实践指南免费下载新质力文库
Akai-4000D-tape-电气原理图手册
此内容为付费资源,请付费后查看
1723
立即购买
您当前未登录!建议登陆后购买,可保存购买订单
付费资源

第1页 / 共1页
已完成全部阅读,共1
THE END
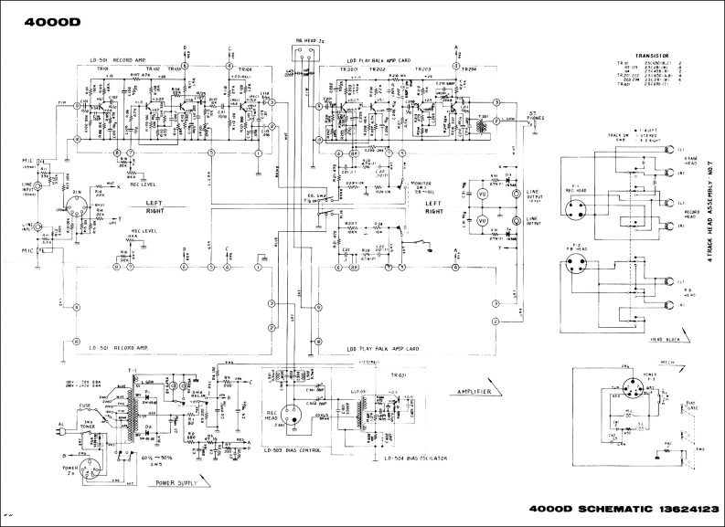
4000D4台T月A5ICRL0:5的限C0eAHPLDB PIAY BMK AMP.CARDTTR200T装02T积5然⊙440LLEFTLEFTRIGHTRISHTEC LEVEL(a⊙LD-5I月E(0或DAPL九Y RALK AMP《AD1发43密期出LD-534B450S(现410N5PONER SUPPY40o。D SCHEMATIC13824123
喜欢就支持一下吧
评论 抢沙发

请登录后发表评论

    请登录后查看评论内容