

第1页 / 共30页
试读已结束,还剩29页,您可下载完整版后进行离线阅读
THE END
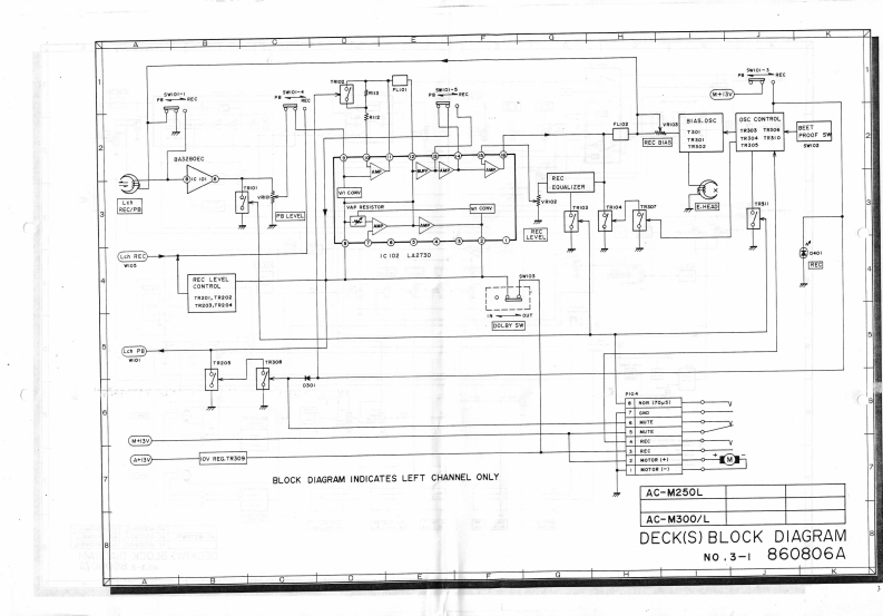
蓝+元T101##T3T010F5RECEQUWLIZEMC007PD LEVELLen AECE国ACC LEVEL20制T月0说raaDe.TH102T233,t04DELBY SWLch PD84H型30M月EgT传的9+0BLOCK DIAGRAM INDICATES LEFT CHANNEL ONLYAC-M25OLAC-M300/LDECK(S)BLOCK DIAGRAMN0,3-1860806A
请登录后查看评论内容