Akai-ACM300-cs-电气原理图手册

Akai-ACM300-cs-电气原理图手册新质力文库 - 聚焦新质生产力发展的数字化知识库_行业洞察 / 理论成果 / 实践指南免费下载新质力文库
Akai-ACM300-cs-电气原理图手册
此内容为付费资源,请付费后查看
1723
立即购买
您当前未登录!建议登陆后购买,可保存购买订单
付费资源

第1页 / 共30页
试读已结束,还剩29页,您可下载完整版后进行离线阅读
THE END
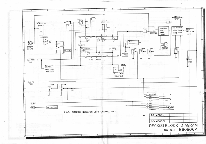
蓝+元T101##T3T010F5RECEQUWLIZEMC007PD LEVELLen AECE国ACC LEVEL20制T月0说raaDe.TH102T233,t04DELBY SWLch PD84H型30M月EgT传的9+0BLOCK DIAGRAM INDICATES LEFT CHANNEL ONLYAC-M25OLAC-M300/LDECK(S)BLOCK DIAGRAMN0,3-1860806A
喜欢就支持一下吧
评论 抢沙发

请登录后发表评论

    请登录后查看评论内容