Akai-APX1-tt-电气原理图手册

Akai-APX1-tt-电气原理图手册新质力文库 - 聚焦新质生产力发展的数字化知识库_行业洞察 / 理论成果 / 实践指南免费下载新质力文库
Akai-APX1-tt-电气原理图手册
此内容为付费资源,请付费后查看
1723
立即购买
您当前未登录!建议登陆后购买,可保存购买订单
付费资源

第1页 / 共1页
已完成全部阅读,共1
THE END
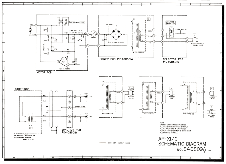
01播4●44220r40l0y1接1207回5内0中2POWER PCB PIO40B50IASELECTOR PCBP1040B501C1C1LA5512MOTOR PCBCARTRIDGEC.A09EL)@回1T0-04pT-i040+4a2e1-1040+5g9NOTEUNLESS OTHERWISE SPECInEDALL RESISTORS IN CHMS 1/4WTJIJUNCTION PCBALL CAPACITORS IN aF SOWWJ)POWER TRANSFORMER IS DIPFERENTPI040B501BACC0 ROING TO0房AEAw打对作E气6wAP-XI/C-10有6A$gPpL卡LESCHEMATIC DIAGRAMN0.840809A
喜欢就支持一下吧
评论 抢沙发

请登录后发表评论

    请登录后查看评论内容