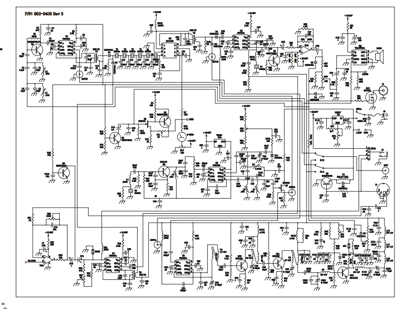
MFJ-9406_参考电器原理图348072@abc2个月前发布关注私信78.89KB1页0336MFJ-9406_参考电器原理图此内容为付费资源,请付费后查看¥17¥27黄金会员免费钻石会员免费立即购买您当前未登录!建议登陆后购买,可保存购买订单付费资源 第1页 / 共1页 已完成全部阅读,共1页 © 版权声明文章版权归作者所有,未经允许请勿转载。THE END说明书手册 文本预览 PF882-9406Rer5武97芳婆房于 查看更多 收起部分 喜欢就支持一下吧点赞6 分享QQ空间微博QQ好友海报分享复制链接收藏
暂无评论内容