Akai-M5-tape-电气原理图手册

Akai-M5-tape-电气原理图手册新质力文库 - 聚焦新质生产力发展的数字化知识库_行业洞察 / 理论成果 / 实践指南免费下载新质力文库
Akai-M5-tape-电气原理图手册
此内容为付费资源,请付费后查看
1727
立即购买
您当前未登录!建议登陆后购买,可保存购买订单
付费资源

第1页 / 共1页
已完成全部阅读,共1
THE END
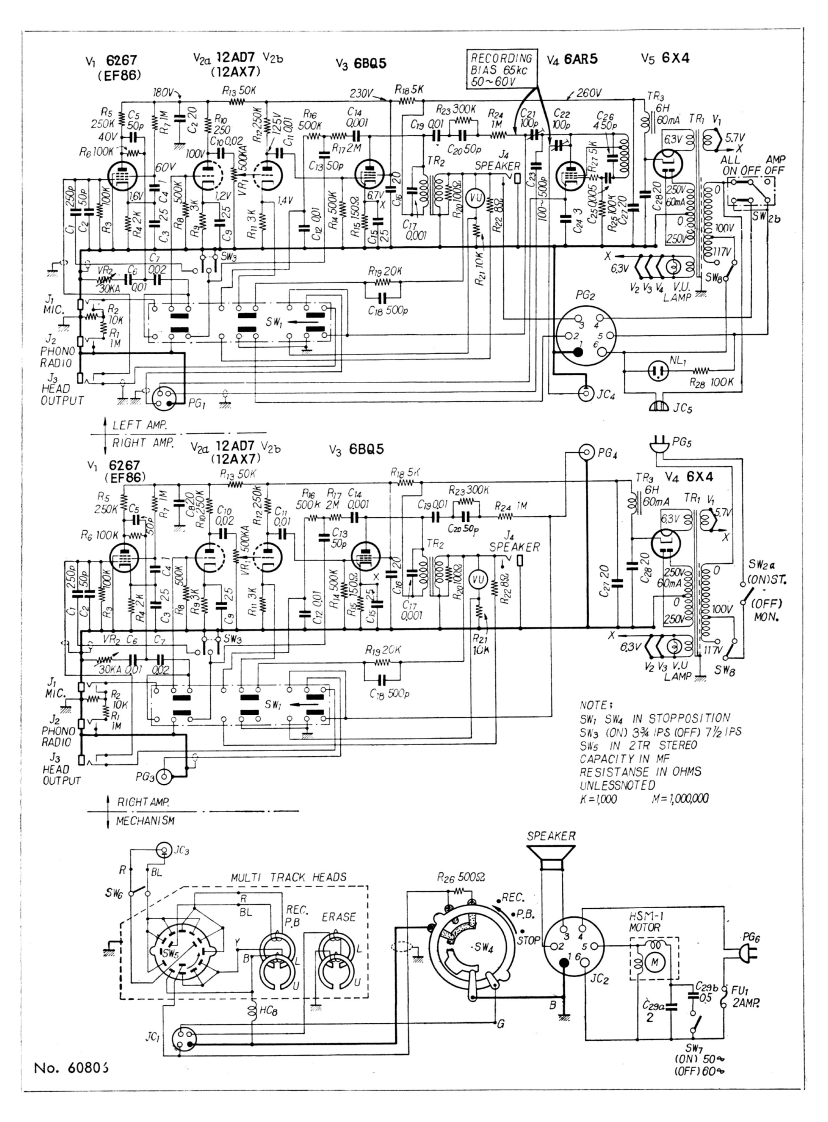
M6267V2a 12AD7 V2bV3 6BQ5RECORDINGV4 6AR5V56X4(EF86)(12AX7)BIAS 65kcA350HRia5K5060V80230N260/TR3C14R23300KH250HRQ0O0nAT品40V HH250C0002Ww63vE3)57YRe100KC2050pC350pSPEAKERALLAMP60ON OFF OFF208品a02b2503oRi9 20K63VPG2AMPMICC8500eJ2PHONORADIOw-电aoR28100KOUTPUTa jcsLEFT AMP.RIGHT AMPVaa 12AD7 V2b(12AX7】V3 6BQ5⊙PG4M6267(EF86)Rie 5TR3 V4 6X4R5李2品R23300H9660mA TR:10Q02C2950pSPEAKER7v0250SW2a80A(ON)ST.(OFF)aoo00/MON.VR2R192C密63vwt.ULAMPCC8500pNOTE:J2SW:SW4 IN STOPPOSITIONPHONOSW3 (ON)3%IPS (OFF)7%PSRADIOSWs IN 2TR STEREOCAPACITY IN MFHEADRE SISTANSE IN OHMSOUT PUTPG3()UNLESSNOTEDRICHT AMPM=1000M=100000MECHANISMSPE AKERRMULTI TRACK HEADSR26500eREC.BLRECERASE.P.B.HSM-IMOTOR500C029a=6 2AMP2dSW7(0N)50No.60805(0FF)60-
喜欢就支持一下吧
评论 抢沙发

请登录后发表评论

    请登录后查看评论内容