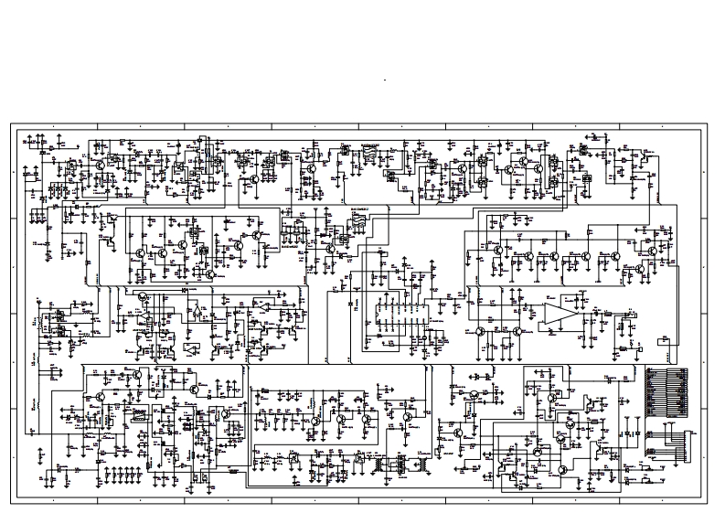
Anytone_AT-5555_电器原理说明书手册_V6找手册网4天前发布关注私信2.89MB5页038Anytone_AT-5555_电器原理说明书手册_V6此内容为付费资源,请付费后查看¥19¥23黄金会员免费钻石会员免费立即购买您当前未登录!建议登陆后购买,可保存购买订单付费资源 第1页 / 共5页 第2页 / 共5页 第3页 / 共5页 第4页 / 共5页 第5页 / 共5页 已完成全部阅读,共5页 THE END自由通/灵通 文本预览 球中联府9度的P托 查看更多 收起部分 喜欢就支持一下吧收藏
请登录后查看评论内容