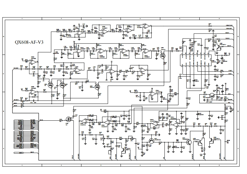
自由通Anytone_at608-rf-v3维修用电器原理图册

自由通Anytone_at608-rf-v3维修用电器原理图册-找手册网
自由通Anytone_at608-rf-v3维修用电器原理图册
此内容为付费资源,请付费后查看
1923
立即购买
您当前未登录!建议登陆后购买,可保存购买订单
付费资源

第1页 / 共4页

第2页 / 共4页

第3页 / 共4页

第4页 / 共4页
已完成全部阅读,共4
THE END
QX608RF-V3⊙nL@⊙通from个类>可厅着》小
喜欢就支持一下吧
评论 抢沙发

请登录后发表评论

    请登录后查看评论内容