

第1页 / 共117页

第2页 / 共117页

第3页 / 共117页

第4页 / 共117页

第5页 / 共117页
试读已结束,还剩112页,您可下载完整版后进行离线阅读
THE END
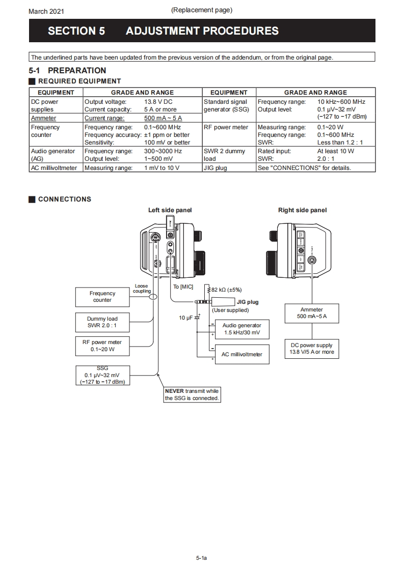
March 2021SERVICE MANUALERRATA1C-705Please note the following corrections and refer to the replaced pagesERRATASECTION 5 ADJUSTMENT PROCEDURESHEADINGDESCRIPTIONMISTAKE CORRECTION Page5-1 PREPARATIONIn the "REQUIRED EQUIPMENT"tableAmmeter wasAmmeter isnot in the tableadded.5-15-4 HF TRANSMITAdjustment value for the [HF TX Total Gain)ADJUSTMENT0.5w5.0w5-6item5-10 VHF BAND RECEIVE SSG frequency for the [VHF Tuned-BPF 1]72.2015MHz75.2015MHz5-17ADJUSTMENTitem5-11 UHF BAND RECEIVE SSG frequency for the [UHF Tuned-BPF402.2015MHz400.2015MHz5-19ADJUSTMENTitemNOTE:Corrected parts on each replaced page are underlined.REPLACED CONTENTSSECTION 5ADJUSTMENT PROCEDURES5-1a~5-19a
请登录后查看评论内容