

第1页 / 共167页

第2页 / 共167页

第3页 / 共167页

第4页 / 共167页

第5页 / 共167页
试读已结束,还剩162页,您可下载完整版后进行离线阅读
THE END
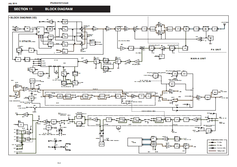
July 2016ICOMSERVICE MANUALADDENDUMIC-F9511HTNOTE:Use these amended pages as one addendum set.Do not mix them up with the previous master pages.CONTENTSREPLACEMENT PAGES:MECHANICAL PARTS..........................8-1 and 8-2BLOCK DIAGRAM...................11-1AMENDED PAGES:ADJUSTMENT PROCEDURE....................6-7to 6-10PARTS LIST....…1BOARD LAYOUTS(MAIN-A UNIT:B-8202A,PA UNIT:B-7076C)........12VOLTAGE DIAGRAM….16[VERSION LIST]FrequencyChannelModelVersionVersionTXnumberrangespacing(MH也】(kHz)PowerUSA-01#0115.0/30.0C-F9511H1USA-11#11*136-174110W15.0USA-21#21*Newly added versions.
请登录后查看评论内容