

第1页 / 共6页

第2页 / 共6页

第3页 / 共6页

第4页 / 共6页

第5页 / 共6页
试读已结束,还剩1页,您可下载完整版后进行离线阅读
THE END
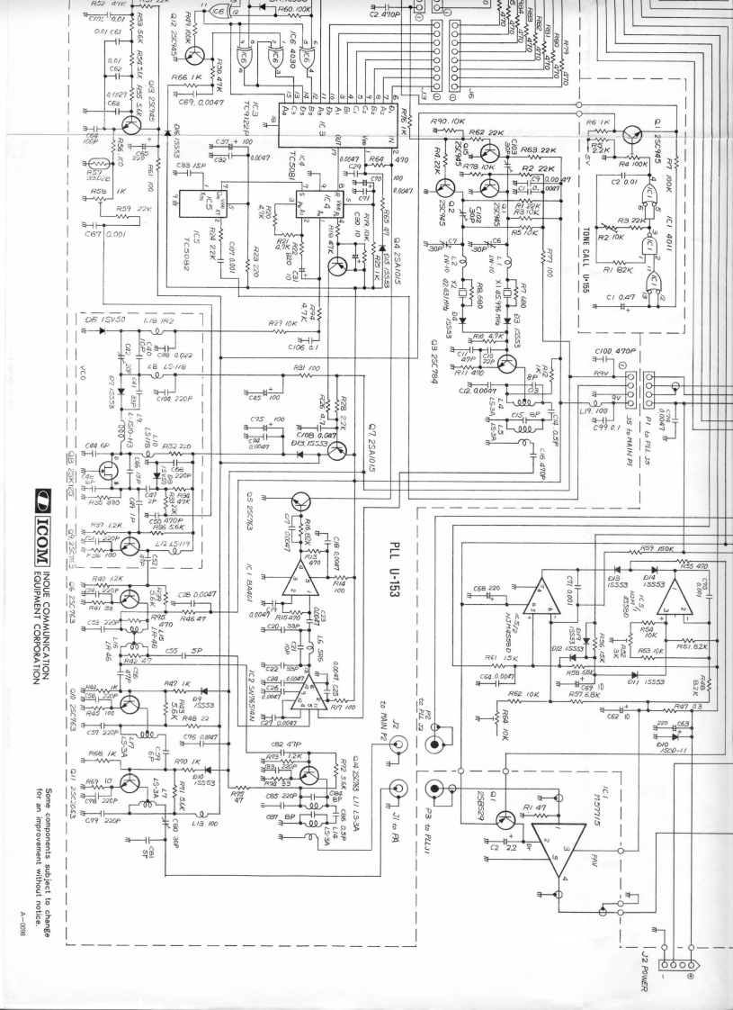
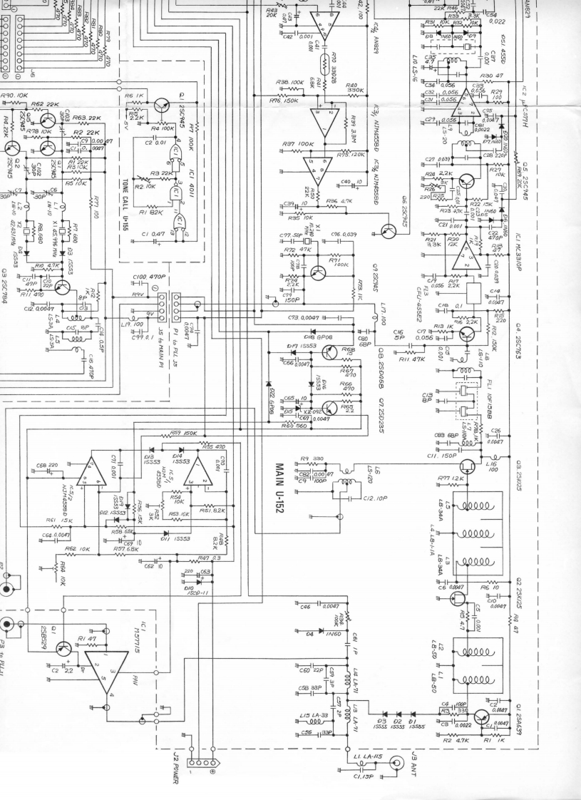
RECEIVETRANSMITCALLTONEMEMORY号SIM+600MEMOEY-00Q9000「®9R36品器47U:154CONTROLSCHEMATIO踢Q2822K000000DIAGRAMIMG0902限878330022AN8299R30470.0A003R63.22K22K3.3M|R37100eNJM4558D28|22TONE CALL|22K39H,04w
请登录后查看评论内容