

第1页 / 共34页

第2页 / 共34页

第3页 / 共34页

第4页 / 共34页

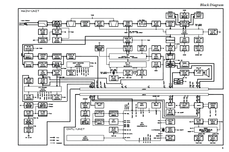
第5页 / 共34页
试读已结束,还剩29页,您可下载完整版后进行离线阅读
THE END
YAESUVERTEX STANDARD CO.,LTD.4-8-8 Nakameguro,Meguro-Ku,Tokyo 153-8644,JapanVERTEX STANDARDFM TRANSCEIVERet CypresC0YAESU EUROPE B.V.FT-1802MP.O.Box 75525,1118 ZN Schiphol,The NetherlandsYAESU UK LTD.Unit 12,Sun Valley Business Park,Winnall CloseWinchester,Hampshire,SO23 OLB.U.K.Technical SupplementVERTEX STANDARD HK LTD.Unit 5,20/F.,Seaview Centre,139-141 Hoi Bun Road,2005 VERTEX STANDARD CO.,LTD.EH023N90AKwun Tong,Kowloon,Hong Kong6520BUSY☒0000¥IntroductionThis manual provides technical information necessary for servicing the FT-1802M FM Transceiver.Servicing this equipment requires expertise in handling surface-mount chip components.Attempts by non-qualified persons to service this equipment may result in permanent damage not covered by the warranty,and may be illegal in some countries.Two PCB layout diagrams are provided for each double-sided circuit board in the Transceiver.Each side of isreferred to by the type of the majority of components installed on that side("leaded"or "chip-only").In mostcases one side has only chip components,and the other has either a mixture of both chip and leaded compo-nents(trimmers,coils,electrolytic capacitors,ICs,etc.),or leaded components only.While we believe the technical information in this manual to be correct,VERTEX STANDARD assumes noliability for damage that may occur as a result of typographical or other errors that may be present.Yourcooperation in pointing out any inconsistencies in the technical information would be appreciated.ContentsSpecifications..2 Board Unit (Schematics,Layouts Parts)Exploded View Miscellaneous Parts............3MAIN Unit Circuit Diagram13MAIN Unit Parts Layout.15Bl0 ck Diagram.…5MAIN Unit Parts List............C0 nnection Diagram…6CNTL Unit Circuit Diagram.27Circuit Description.CNTL Parts Layout…28CNTL Parts List29Alignment.......
请登录后查看评论内容