

第1页 / 共32页

第2页 / 共32页

第3页 / 共32页

第4页 / 共32页

第5页 / 共32页
试读已结束,还剩27页,您可下载完整版后进行离线阅读
THE END
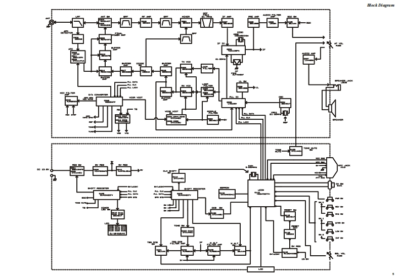
YAESUVERTEX STANDARD CO..LTD.4-8-8 Nakameguro,Meguro-Ku.Tokyo 153-8644.JapanVERTEX STANDARDUS HeadquartersFM TRANSCEIVER10900 Walker Street,Cypress,CA 90630,U.S.A.International Division8350 N.W.52nd Terrace.Suite 201.Miami.FL 33166.U.S.AFT-2800MYAESU EUROPE B.V.P.O.Box 75525,1118 ZN Schiphol,The NetherlandsYAESU UK LTD.Unit 12.Sun Valley Business Park,Winnall CloseTechnical SupplementWinchester,Hampshire,S023 OLB,U.K.VERTEX STANDARD HK LTD.2003 VERTEX STANDARD CO.,LTDEHO14N90AUnit 5,20/F.,Seaview Centre,139-141 Hoi Bun Road,Kwun Tong.Kowloon,Hong KongDownloaded byRadioAmateur.EU00VFOSETDWA/NMWIntroductionThis manual provides technical information necessary for servicing the FT-2800M FM Transceiver.Servicing this equipment requires expertise in handl ing surface-mount chip components.Attempts by non-qualified per-sons to service this equipment may result in permanent damage not covered by the warranty,and may be illegal in somecountriesTwo PCB layout diagrams are provided for each double-sided circuit board in the Transceiver.Each side of is referred toby the type of the majority of components installed on that side ("leaded"or"chip-only").In most cases one side has onlychip components,and the other has either a mixture of both chip and leaded components(trimmers,coils,electrolyticcapacitors,ICs,etc.),or leaded components only.While we believe the technical information in this manual to be correct,VERTEX STANDARD assumes no liability fordamage that may occur as a result of typographical or other errors that may be present.Your cooperation in pointing outany inconsistencies in the technical information would be appreciated.ContentsSpecifications..........2Board Unit (Schematics,Layouts Parts)Exploded View Miscellaneous Parts...........3uCOM Unit /RF Unit Circuit Diagram....13uCOM Unit Parts Layout.15Bl0 ck Diagram.…5uCOM Unit Parts List1.7Circuit Description.RF Unit Parts Layout….21Alignment…9RF Unit Parts List..........23
请登录后查看评论内容