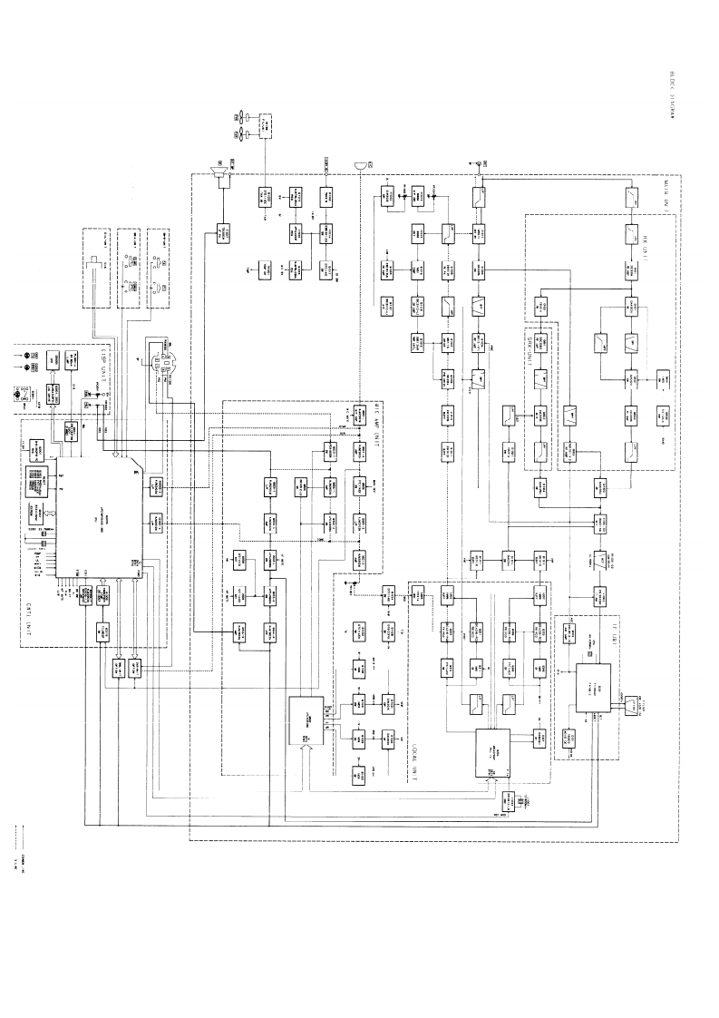
FT-3000M_电器原理图找手册网33天前发布关注私信0.91MB6页045FT-3000M_电器原理图此内容为付费资源,请付费后查看¥19¥21黄金会员免费钻石会员免费登录购买付费资源 第1页 / 共6页 第2页 / 共6页 第3页 / 共6页 第4页 / 共6页 第5页 / 共6页 试读已结束,还剩1页,您可下载完整版后进行离线阅读 THE END八重洲 文本预览 UISP-UNI IF3571102器简器SW-A-UNITF3571103Sw-日-UWITF3571104ID/MRI1o陆卤是DIAL-UNIT F3571105百市市可句FT-3000MCIRCUIT DIAGRAM 查看更多 收起部分 喜欢就支持一下吧收藏
请登录后查看评论内容