

第1页 / 共48页

第2页 / 共48页

第3页 / 共48页

第4页 / 共48页

第5页 / 共48页
试读已结束,还剩43页,您可下载完整版后进行离线阅读
THE END
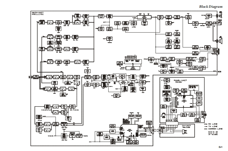
YAESUVERTEX STANDARD CO.,LTD.4-8-8 Nakameguro,Meguro-Ku,Tokyo 153-8644,JapanVERTEX STANDARDDual Band FM TransceiverrtCypress.CA.YAESU EUROPE B.V.FT-7800RP.O.Box 75525,1118 ZN Schiphol,The NetherlandsYAESU UK LTDUnit 12,Sun Valley Business Park,Winnall CloseTechnical SupplementWinchester,Hampshire,S023 OLB,U.K.VERTEX STANDARD HK LTD.Unit 5,20/F.Seaview Centre,139-141 Hoi Bun Road,2003 VERTEX STANDARD CO.,LTD.(EH016M90A)Kwun Tong,Kowloon,Hong Kong6☑00IntroductionThis manual provides technical information necessary for servicing the FT-7800R Transceiver.Servicing this equipment requires expertise in handling surface-mount chip components.Attempts by non-qualifiedpersons to service this equipment may result in permanent damage not covered by the warranty,and may be illegal insome countries.Two PCB layout diagrams are provided for each double-sided circuit board in the transceiver.Each side of thr board isreferred to by the type of the majority of components installed on that side("leaded"or"chip-only").In most cases oneside has only chip components,and the other has either a mixture of both chip and leaded components(trimmers,coils,electrolytic capacitors,ICs,etc.),or leaded components only.While we believe the technical information in this manual to be correct,Vertex Standard assumes no liability for dam-age that may occur as a result of typographical or other errors that may be present.Your cooperation in pointing out anyinconsistencies in the technical information would be appreciated.ContentsSpecifications..A-1Board Unit (Schematics,Layouts Parts)Exploded View Miscellaneous Parts ....B-1MAIN Unit.....Block Diagram.........C-1PANELUnitG-1Circuit Description.........D-1CH Unit.H-1Alignment .......E-1
请登录后查看评论内容