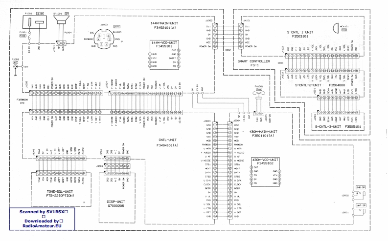
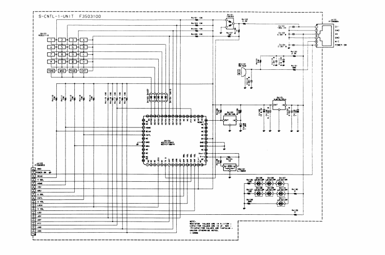
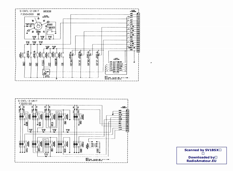
FT-8500_电器原理图_SV1BSX找手册网34天前发布关注私信1.49MB7页041FT-8500_电器原理图_SV1BSX此内容为付费资源,请付费后查看¥19¥21黄金会员免费钻石会员免费登录购买付费资源 第1页 / 共7页 第2页 / 共7页 第3页 / 共7页 第4页 / 共7页 第5页 / 共7页 试读已结束,还剩2页,您可下载完整版后进行离线阅读 THE END八重洲 文本预览 144V-MAIN-LNIT F3292101 C22宁时过000006dScanned by SV1BsX▣E上1目2¥第88:5三888日9:8残22:4gs月Downloaded by▣RadioAmateur.EU 查看更多 收起部分 喜欢就支持一下吧收藏
请登录后查看评论内容