

第1页 / 共55页

第2页 / 共55页

第3页 / 共55页

第4页 / 共55页

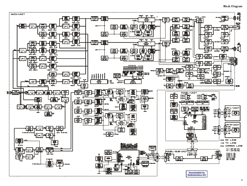
第5页 / 共55页
试读已结束,还剩50页,您可下载完整版后进行离线阅读
THE END
YAESUVERTEX STANDARD CO.,LTD.4-8-8 Nakameguro,Meguro-Ku,Tokyo 153-8644,JapanVERTEX STANDARDUS HeadquartersDual Band FM Transceiver10900 Walker Street,Cypress,CA 90630,U.S.A.International Division8350 N.W.52nd Terrace.Suite 201.Miami.FL 33166.U.S.A.FT-8800RYAESU EUROPE B.V.P.O.Box 75525,1118 ZN Schiphol.The NetherlandsYAESU UK LTD.Technical SupplementUnit 12,Sun Valley Business Park,Winnall CloseWinchester,Hampshire,SO23 OLB,U.K.VERTEX STANDARD HK LTD.2003 VERTEX STANDARD CO.,LTDEH018M90A)Unit 5,20/F.,Seaview Centre,139-141 Hoi Bun Road,Kwun Tong,Kowloon,Hong Kong5团。■■■■■■■■田。■=■■■■■TONEIntroductionThis manual provides technical information necessary for servicing the FT-8800R Transceiver.Servicing this equipment requires expertise in handling surface-mount chip components.Attempts by non-qualifiedpersons to service this equipment may result in permanent damage not covered by the warranty,and may be illegal insome countries.Two PCB layout diagrams are provided for each double-sided circuit board in the transceiver.Each side of thr board isreferred to by the type of the majority of components installed on that side("leaded"or "chip-only").In most cases oneside has only chip components,and the other has either a mixture of both chip and leaded components(trimmers,coils,electrolytic capacitors,ICs,etc.),or leaded components only.While we believe the technical information in this manual to be correct,Vertex Standard assumes no liability for dam-age that may occur as a result of typographical or other errors that may be present.Your cooperation in pointing out anyinconsistencies in the technical information would be appreciated.ContentsSpecifications .......…2Board Unit (Schematics,Layouts Parts)Exploded View Miscellaneous Parts .........3Main Unit17Block Diagram.........5Panel Unit..5Circuit Description......Panel-Sub Unit577VR-L Unit53Alignment .........11VR-R Unit..54Downloaded byRadioAmateur.EU
请登录后查看评论内容