

第1页 / 共58页

第2页 / 共58页

第3页 / 共58页

第4页 / 共58页

第5页 / 共58页
试读已结束,还剩53页,您可下载完整版后进行离线阅读
THE END
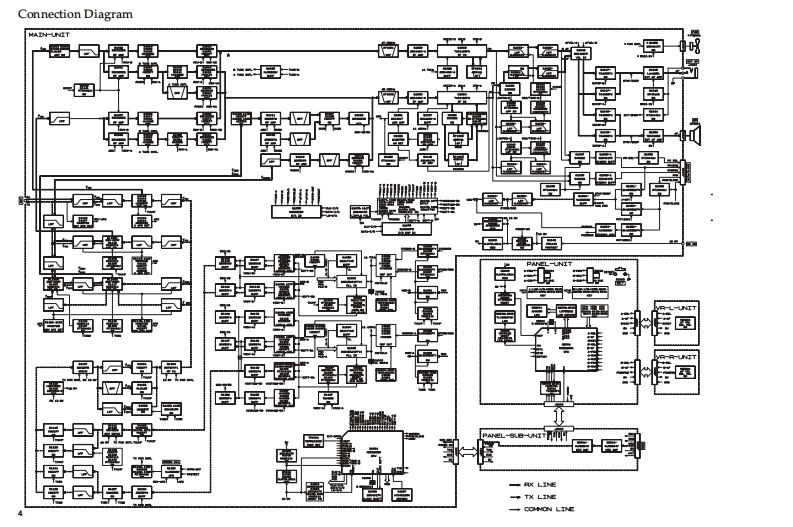
YAESUVERTEX STANDARD CO.,LTD.4-8-8 Nakameguro,Meguro-Ku.Tokyo 153-8644.JapanVERTEX STANDARDUS HeadquartersQuad Band FM Transceiver10900 Walker Street,Cypress,CA 90630.U.S.A.International Division8350 N.W.52nd Terrace,Suite 201,Miami,FL 33166,U.S.A.FT-8900RYAESU EUROPE B.V.P.O.Box 75525,1118 ZN Schiphol,The NetherlandsYAESU UK LTD.Technical SupplementUnit 12,Sun Valley Business Park,Winnall CloseWinchester,Hampshire,S023 OLB,U.K.VERTEX STANDARD HK LTD.2002 VERTEX STANDARD CO.,LTD.(EH008M90A)Unit 5,20/F.,Seaview Centre,139-141 Hoi Bun Road,Kwun Tong,Kowloon,Hong Kong。■■通■■■■■。■■■■■■■SUBDownloaded by▣RadioAmateur.EUIntroductionThis manual provides technical information necessary for servicing the FT-8900R Transceiver.Servicing this equipment requires expertise in handling surface-mount chip components.Attempts by non-qualifiedpersons to service this equipment may result in permanent damage not covered by the warranty,and may be illegal insome countries.Two PCB layout diagrams are provided for each double-sided circuit board in the transceiver.Each side of thr board isreferred to by the type of the majority of components installed on that side("leaded"or "chip-only").In most cases oneside has only chip components,and the other has either a mixture of both chip and leaded components(trimmers,coils,electrolytic capacitors,ICs,etc.),or leaded components only.While webelieve the technical information in this manual to be correct,Vertex Standard assumes no liability for damagethat may occur as a result of typographical or other errors that may be present.Your cooperation in pointing out anyinconsistencies in the technical information would be appreciated.ContentsSpecifications.Board Unit (Schematics,Layouts Parts)Exploded View Miscellaneous Parts........3Main Unit.9Connection Diagram.4Panel Unit..4.Circuit Description…Panel-Sub Unit.53…5VR-L Unit ....55Alignment….11VR-R Unit ....56
请登录后查看评论内容