

第1页 / 共34页

第2页 / 共34页

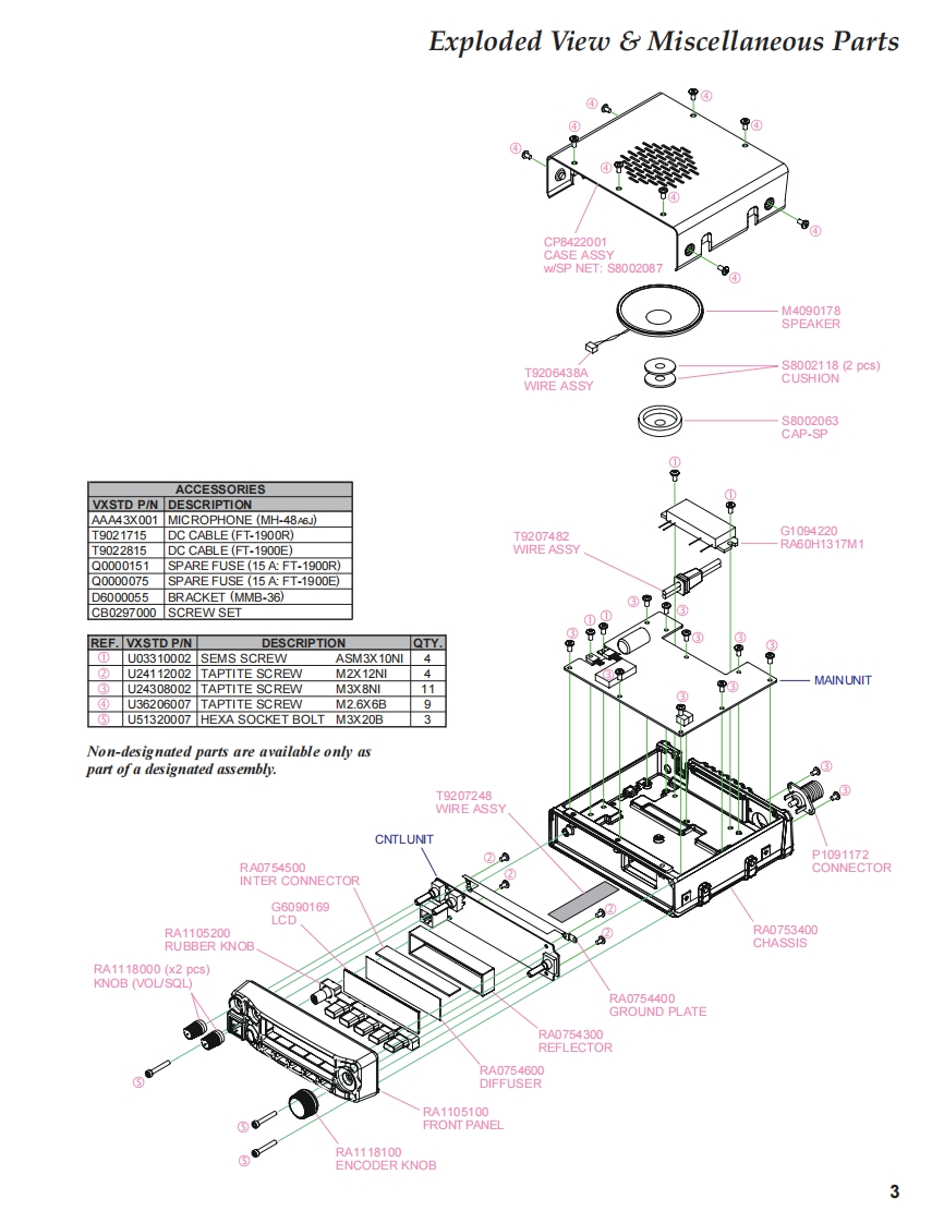
第3页 / 共34页

第4页 / 共34页

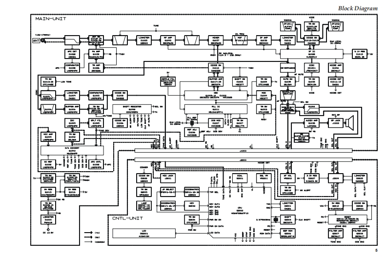
第5页 / 共34页
试读已结束,还剩29页,您可下载完整版后进行离线阅读
THE END
YAESUVERTEX STANDARD CO.,LTD.4-8-8 Nakameguro,Meguro-Ku,Tokyo 153-8644,JapanVERTEX STANDARDFM TRANSCEIVERUS Headquarters10900 Walker Street,Cypress,CA 90630,U.S.A.YAESU UK LTD.FT-1900RWi ee NameLKCoseVERTEX STANDARD HK LTD.Unit 5,20/F.,Seaview Centre,139-141 Hoi Bun Road,Technical SupplementKwun Tong,Kowloon,Hong KongVERTEX STANDARD(AUSTRALIA)PTY.,LTD.Nomanby Business Park,Unit 14/45 Normanby RoadC2009 VERTEX STANDARD CO.,LTD.EH023N91ANotting Hill 3168,Victoria,Australia520IntroductionThis manual provides technical information necessary for servicing the FT-1900R FM Transceiver.Servicing this equipment requires expertise in handling surface-mount chip components.Attempts by non-qualified persons to service this equipment may result in permanent damage not covered by the warranty,and may be illegal in some countries.Two PCB layout diagrams are provided for each double-sided circuit board in the Transceiver.Each side ofis referred to by the type of the majority of components installed on that side("leaded"or "chip-only").Inmost cases one side has only chip components,and the other has either a mixture of both chip and leadedcomponents (trimmers,coils,electrolytic capacitors,ICs,etc.),or leaded components only.While we believe the technical information in this manual to be correct,VERTEX STANDARD assumes noliability for damage that may occur as a result of typographical or other errors that may be present.Yourcooperation in pointing out any inconsistencies in the technical information would be appreciated.Important NoteThe transceiver was assembled using Pb(lead)free solder,based on the RoHS specification.Only lead-free solder(Alloy Composition:Sn-3.0Ag-0.5Cu)should be used for repairs performed on this appara-tus.The solder stated above utilizes the alloy composition required for compliance with the lead-free specification,and any solder with the above alloy composition may be used.ContentsSpecifications.…2Board Unit (Schematics,Layouts Parts)Exploded View Miscellaneous Parts...........3MAIN Unit Circuit Diagram13MAIN Unit Parts LayoutBlock Diagram5MAIN Unit Parts List.1ConnectionCNTL Unit Circuit Diagram27Circuit DescriptionCNTL Parts Layout....28CNTL Parts List29
请登录后查看评论内容