FTDX-560_参考电器原理图

FTDX-560_参考电器原理图-找手册网
FTDX-560_参考电器原理图
此内容为付费资源,请付费后查看
1921
付费资源

第1页 / 共5页

第2页 / 共5页

第3页 / 共5页

第4页 / 共5页

第5页 / 共5页
已完成全部阅读,共5
THE END
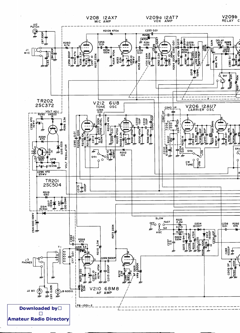
V20812AX7V209a12AT7V209bMIC AMPVOX AMPRELAY CPATCHR2109470Kc2530.01R2I2611DELAY4TR2022SC372V2126U8TONEoSc240V206 12AU7CARRIER OSC艷瑞①354b54h0216F1s336TR2012SC5048路SLOWFAST6868988a52三《3C2695000PHONES28nV2106BM8oJ96o0nAFAMP1P-00-2Downloaded by□0Amateur Radio Directory
喜欢就支持一下吧
评论 抢沙发

请登录后发表评论

    请登录后查看评论内容