

第1页 / 共122页

第2页 / 共122页

第3页 / 共122页

第4页 / 共122页

第5页 / 共122页
试读已结束,还剩117页,您可下载完整版后进行离线阅读
THE END
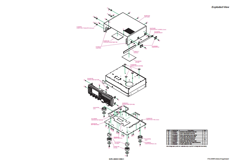
YAESUThe radioHF/50 MHZ TRANSCEIVERYAESU MUSEN CO.,LTD.Smmagwa-u Toly 140-0002 apanFTDX1200YAESU USA6125 Phyllis Drive,Cypress,CA 90630,U.S.A.YAESU UKTECHNICAL SUPPLEMENTUnit 12,Sun Valley Business Park,Winnall CloseWinchester,Hampshire,S023 0LB,U.K.2015 YAESU MUSEN CO.,LTD.EHO58H90CIntroductionContentsThis manual provides technical information necessaryfor servicing the FTDx1200 HF/50 MHz Transceiver.SpecificationsServicing this equipment requires expertise in handlingExploded View Miscellaneous Partssurface-mount chip components.Attempts by non-Block Diagramqualified persons to service this equipment may resultin permanent damage not covered by the warranty,andConnection Diagrammay be illegal in some countries.AlignmentTwo PCB layout diagrams are provided for each double-sided circuit board in the Transceiver.Each side of isBoard Unit(Schematics,Layouts Parts)referred to by the type of the majority of componentsMAIN Unitinstalled on that side ("leaded"or "chip-only").InCNTL Unitmost cases one side has only chip components,andthe other has either a mixture of both chip and leadedLOCAL Unitcomponents(trimmers,coils,electrolytic capacitors,ICs,PA Unitetc.),or leaded components only.While we believe the technical information in thisTUNER Unitmanual to be correct,YAESU MUSEN assumes noDSP Unitliability for damage that may occur as a result ofDISPLAY-1 Unittypographical or other errors that may be present.Yourcooperation in pointing out any inconsistencies in theLED Unittechnical information would be appreciated.SW-A UnitSW-B UnitVR-A UnitJACK UnitMIC UnitImportant Note1)This transceiver was assembled using Pb(lead)free solder,based on the RoHS specification.Only lead-free solder(Alloy Composition:Sn-3.0Ag-0.5Cu)should be used for repairs performed on this ap-paratus.The solder stated above utilizes the alloy composition required for compliance with the lead-freespecification,and any solder with the above alloy composition may be used.2)Risk of explosion if battery is replaced by an incorrect type.Dispose of used batteries according to the instruc-tions.
请登录后查看评论内容