

第1页 / 共64页

第2页 / 共64页

第3页 / 共64页

第4页 / 共64页

第5页 / 共64页
试读已结束,还剩59页,您可下载完整版后进行离线阅读
THE END
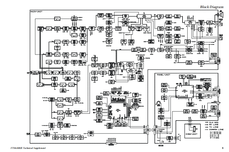
YAESUVERTEX STANDARD CO.,LTD.4-8-8 Nakameguro,Meguro-Ku,Tokyo 153-8644,JapanVHF/UFH FM TRANSCEIVERVERTEX STANDARD U.S.A.Inc.6125 Phyllis Drive,Cypress,Califomia 90630.U.S.A.YAESU UK LTD.FTM-10R/EWincheCoeVERTEX STANDARD HK LTD.Technical SupplementUnit 1306-1308,13F.,Millennium City 2,378 Kwun Tong Road,Kwun Tong,Kowloon,Hong KongVERTEX STANDARD(AUSTRALIA)PTY.,LTD.@2011 VERTEX STANDARD CO.,LTD.EH027M70ETally Ho Business Park,10 Wesley Court,East Burwood,VIC,3151IntroductionThis manual provides technical information necessary forservicing the FTM-10R/E VHF/UHF FM Transceiver.Servicing this equipment requires expertise in handlingsurface-mount chip components.Attempts by non-qualified persons to service this equipment may resultin permanent damage not covered by the warranty,andYAESUmay be illegal in some countries.Two PCB layout diagrams are provided for each dou-'6800ble-sided circuit board in the Transceiver.Each side ofT制-1is referred to by the type of the majority of componentsinstalled on that side("leaded"or "chip-only").In most cases one side has only chip components,and theother has either a mixture of both chip and leaded components(trimmers,coils,electrolytic capacitors,ICs,etc.),or leaded components only.While we believe the technical information in this manual to be correct,VERTEX STANDARD assumes noliability for damage that may occur as a result of typographical or other errors that may be present.Yourcooperation in pointing out any inconsistencies in the technical information would be appreciated.Important NoteThe transceiver was assembled using Pb(lead)free solder,based on the RoHS specification.Only lead-free solder(Alloy Composition:Sn-3.0Ag-0.5Cu)should be used for repairs performed on this appara-tus.The solder stated above utilizes the alloy composition required for compliance with the lead-free specification,and any solder with the above alloy composition may be usedContentsSpecifications.….,2Exploded View Miscellaneous Parts ......................3Block Diagram5Circuit Descriptic0n…7Alignment.….9Board Unit(Schematics,Layouts Parts)MAIN-Unit.17PANEL-Unit.51CH-SW-Unit61CONNECTOR-Unit............…62
请登录后查看评论内容