

第1页 / 共67页

第2页 / 共67页

第3页 / 共67页

第4页 / 共67页

第5页 / 共67页
试读已结束,还剩62页,您可下载完整版后进行离线阅读
THE END
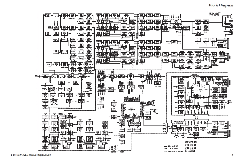
YAESUVERTEX STANDARD CO.,LTD.4-8-8 Nakameguro,Meguro-Ku,Tokyo 153-8644,JapanDUAL BAND FM TRANSCEIVERVERTEX STANDARDFTM-350R/E00Waere CypreCA.U.SAYAESU UK LTD.FTM-350AR/EUnit 12.Sun Valley Business Park,Winnall CloseWinchester,Hampshire,SO23 OLB,U.KVERTEX STANDARD HK LTD.Unit 1306-1308,13F.,Millennium City 2,378 Kwun Tong RoadTechnical SupplementKwun Tong,Kowloon,Hong KongVERTEX STANDARD (AUSTRALIA)PTY.,LTD.Tally Ho Business Park,10 Wesley Court,East Burwood,VIC,315102011 VERTEX STANDARD CO.,LTD.EH033M90DIntroductionThis manual provides technical infommation necessary for ser-vicing the FTM-350AR/E Dual Band FM Transceiver.F吧PTTServicing this equipment requires expertise in handling sur-145.00033000face-mount chip components.Attempts by non-qualified per-sons to service this equipment may result in permanent dam-SET HIV/M SBL LOCK REV POWage not covered by the warranty,and may be illegal in somecountries.Two PCB layout diagrams are provided for each double-sided circuit board in the Transceiver.Each side of isreferred to by the type of the majority of components installed on that side("leaded"or "chip-only").In mostcases one side has only chip components,and the other has either a mixture of both chip and leaded compo-nents(trimmers,coils,electrolytic capacitors,ICs,etc.),or leaded components only.While we believe the technical information in this manual to be correct,VERTEX STANDARD assumes noliability for damage that may occur as a result of typographical or other errors that may be present.Yourcooperation in pointing out any inconsistencies in the technical information would be appreciated.Important NoteThe transceiver was assembled using Pb(lead)free solder,based on the RoHS specification.Only lead-free solder(Alloy Composition:Sn-3.0Ag-0.5Cu)should be used for repairs performed on this appara-tus.The solder stated above utilizes the alloy composition required for compliance with the lead-free specification,and any solder with the above alloy composition may be used.ContentsSpecifications.2PANEL Unit Circuit Diagram (Lot.1~).61Exploded View Miscellaneous Parts............5PANEL Unit Parts Layout (Lot.1).................62PANEL Unit Circuit Diagram (Lot.12~).63Block DiagramPANEL Unit Parts Layout (Lot.12~).......64Alignment…PANEL Unit Parts List...........65PANEL-R Unit Circuit Diagram (Lot.1~).71Board Unit(Schematics,Layouts Parts)PANEL-R Unit Parts Layout (Lot.1~)......72MAIN Unit Circuit Diagram (Lot.1~)17PANEL-R Unit Circuit Diagram (Lot.6~).............73MAIN Unit Parts Layout (Lot.1-)................19PANEL-R Unit Parts Layout (Lot.6~)....74MAIN Unit Circuit Diagram (Lot.5~)21PANEL-R Unit Circuit Diagram (Lot.12~)..........75MAIN Unit Parts Layout (Lot-).23MAIN Unit Parts Layout (Lot.27~)25PANEL-R Unit Parts Layout (Lot.12~).............76PANEL-R Unit Parts List.............77MAIN Unit Parts List29
请登录后查看评论内容