

第1页 / 共44页

第2页 / 共44页

第3页 / 共44页

第4页 / 共44页

第5页 / 共44页
试读已结束,还剩39页,您可下载完整版后进行离线阅读
THE END
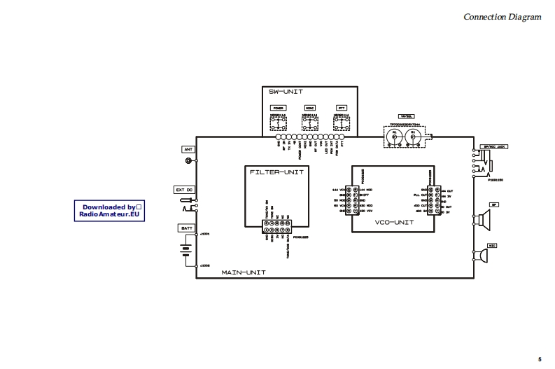
YAESUVERTEX STANDARD CO..LTD.4-8-8 Nakameguro,Meguro-Ku,Tokyo 153-8644.JapanVERTEX STANDARDb09a57aeL.Cypes,CA9030.usAVX-2RInternational Division8350 N.W.52nd Termace,Suite 201,Miami,FL 33166,U.SA.YAESU EUROPE B.V.P.O.Box 75525,1118 ZN Schiphol,The NetherlandsYAESU UK LTD.Technical SupplementUnt 12,Sun Valley Business Park,Wimall CloseWinchester,Hampshire.SO23 0LB.U.K.VERTEX STANDARD HK LTD.Unit 5,20/F.,Seaview Centse,139-141 Hoi Bun RoadO2003 VERTEX STANDARD CO.,LTD.EH015M90AKwn'Tong.Kowloon,Hong KongDownloaded by▣RadioAmateur.EUIntroductionThis manual provides the technical information necessary for servicing the VX-2RVHF/UHF Ultra-Compact Dual-Band Transceiver with Wide Band Coverage.Servicing this equipment requires expertise in handing surface-mount chip com-ponents.Attempts by non-qualified persons to service this equipment may resultin permanent damage not covered by the warranty,and may be illegal in somecountries.Two PCB layout diagrams are provided for each double-sided board in this trans-ceiver.Each side of the board is referred to by the type of the majority of compo-nents installed on that side ("Side A"or"Side B").In most cases one side has onlychip components(surface-mount devices),and the other has either a mixture ofboth chip and leaded components(trimmers,coils,electrolytic capacitors,ICs,etc.),or leaded components only.As described in the pages to follow,the advanced microprocessor design of theVX-2R allows a complete alignment of this transceiver to be performed without●.●opening the case of the radio;all adjustments can be performed from the frontpanel,using the"Alignment Mode"menu.While we believe the information in this manual to be correct,VERTEX STAN-DARD assumes no liability for damage that may occur as a result of typographicalor other errors that may be present.Your cooperation in pointing out any incon-sistencies in the technical information would be appreciated.ContentsSpecificationS2Exploded View Miscellaneous Parts ..Connection Diagram..5Block Diagram…6Circuit Description.7.11Board Units(Schematics,Layouts Parts)MAIN Unit.….17FILTER Unit...33SWUnit........37VCO Unit……39
请登录后查看评论内容