

第1页 / 共60页

第2页 / 共60页

第3页 / 共60页

第4页 / 共60页

第5页 / 共60页
试读已结束,还剩55页,您可下载完整版后进行离线阅读
THE END
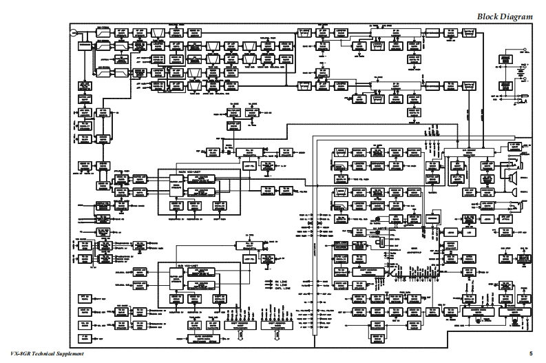
144/430MHzVERTEX STANDARD CO.,LTD.Dual-Band FM Transceiver4-8-8 Nakameguro,Meguro-Ku,Tokyo 153-8644,JapanVERTEX STANDARDwith GPSUS Headquarters10900 Walker Street,Cypress,CA90630,U.S.A.VX-8GRYAESU UK LTD.Unit 12,Sun Valley Business Park,Winnall CloseWinchester,Hampshire,S023 0LB,U.K.Technical SupplementVERTEX STANDARD HK LTD.Unit 5.20/F..Seaview Centre.139-141 Hoi Bun Road.Kwun Tong,Kowloon,Hong Kong2010 VERTEXSTANDARD CO.,LTD.Printed in Japan.VERTEX STANDARD(AUSTRALIA)PTY.,LTD.Normanby Business Park,Unit 14/45 Nomanby RoadEH041M90ANotting Hill 3168,Victoria,AustraliaIntroductionThis manual provides the technical information necessary for servicing the VX-8GR144/430 MHz Dual-Band FM Transceiver.Servicing this equipment requires expertise in handing surface-mount chip components.Attempts by non-qualified persons to service this equipment may result in permanentdamage not covered by the warranty,and may be illegal in some countries.Two PCB layout diagrams provided for each double-sided board in this transceiver.Each side of the board is referred to by the type of the majority of components installed onthat side("Side A"or"Side B").In most cases one side has only chip components,and theother has either a mixture of both chip and leaded components(trimmers,coils,electrolyticcapacitors,ICs,etc.),or leaded components only.While we believe the information in this manual to be correct,VERTEX STANDARD围assumes no liability for damage that may occur as a result of typographical or other errorsthat may be present.Your cooperation in pointing out any inconsistencies in the technicalinformation would be appreciated.Important Note1)This transceiver was assembled using Pb(lead)free solder,based on the RoHS specification.Only lead-free solder(Alloy Composition:Sn-3.0Ag-0.5Cu)should be used for repairs performed on this apparatus.The solder statedabove utilizes the alloy composition required for compliance with the lead-free specification,and any solder with the above alloycomposition may be used.2)Risk of explosion if battery is replaced by an incorrect type.Dispose ofused batteries according to the instructions.ContentsSpecification...,2Exploded View Miscellaneous Parts ..Block Diagram.Alignment1Board Unit(Schematics,Layouts Parts)RF Unit Circuit Diagram......19RE Unit Parts Layout.20RF Unit Parts List.........21CNTL Unit Circuit Diagram37CNTL Unit Parts Layout ............38CNTLUnit Parts List..39CABLE Unit Circuit Diagram ........49CABLE Unit Parts Layout.................CONNECT Unit Circuit Diagram ......50CONNECT Unit Parts Layout.....50MAIN VCO Unit Circuit Diagram...........51MAIN VCO Unit Parts Layout51MAIN VCO Unit Parts List..........53SUB VCO Unit Circuit Diagram...55SUB VCO Unit Parts Layout55SUB VCO Unit Parts List.....57VX-8GR Technical Supplement
请登录后查看评论内容