

第1页 / 共44页

第2页 / 共44页

第3页 / 共44页

第4页 / 共44页

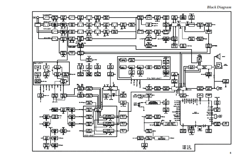
第5页 / 共44页
试读已结束,还剩39页,您可下载完整版后进行离线阅读
THE END
VHF/UHFVERTEX STANDARD CO.,LTD.4-8-8 Nakameguro.Meguro-Ku,Tokyo 153-8644.JapanULTRA-COMPACT DUAL-BAND TRANSCEIVERVERTEX STANDARDWITH WIDE BAND COVERAGEoCA0,YAESU EUROPE B.V.VX-3RP.O.Box 75525,1118 ZN Schiphol,The NetherlandsYAESU UK LTD.Unit 12,Sun Valley Business Park,Winnall CloseWinches ter,Hampshire,S023 OLB,U.K.Technical SupplementVERTEX STANDARD HK LTD.Unit 5.20F Seaview Cente,139-141 Hoi Bun RoadKwun Tong.Kowloon,Hong KongVERTEX STANDARD(AUSTRALIA)PTY.,LTD.@2007 VERTEX STANDARD CO.,LTD.EHO28M90ANoNormanby RoadIntroductionThis manual provides the technical information necessary for servicing the VX-3R Ul-tra-Compact Dual-Band Transceiver.YAESUServicing this equipment requires expertise in handing surface-mount chip components.Attempts by non-qualified persons to service this equipment may result in permanent:46800damage not covered by the warranty,and may be illegal in some countries.F单■门道20■Two PCB layout diagrams provided for each double-sided board in this transceiver.STEPEach side of the board is referred to by the type of the majority of components installedon that side("Side A"or "Side B").In most cases one side has only chip components,and the other has either a mixture of both chip and leaded components(trimmers,coils,electrolytic capacitors,ICs,etc.),or leaded components only.While we believe the information in this manual to be correct,VERTEX STANDARDassumes no liability for damage that may occur as a result of typographical or othererrors that may be present.Your cooperation in pointing out any inconsistencies in thetechnical information would be appreciated.Important NoteThis transceiver was assembled using Pb(lead)free solder,based on the RoHS specification.Only lead-free solder(Alloy Composition:Sn-3.0Ag-0.5Cu)should be used for repairs performed on this appara-tus.The solder stated above utilizes the alloy composition required for compliance with the lead-free specification,and any solder with the above alloy composition may be used.ContentsSpecification........2Exploded View Miscellaneous Parts...........4Block Diagram….5Circuit Description....Alignment.….9Board Unit(Schematics,Layouts Parts)MAIN Unit.15Filter Unit.31SW Unit....35VCO Unit..39
请登录后查看评论内容