

第1页 / 共11页

第2页 / 共11页

第3页 / 共11页

第4页 / 共11页

第5页 / 共11页
试读已结束,还剩6页,您可下载完整版后进行离线阅读
THE END
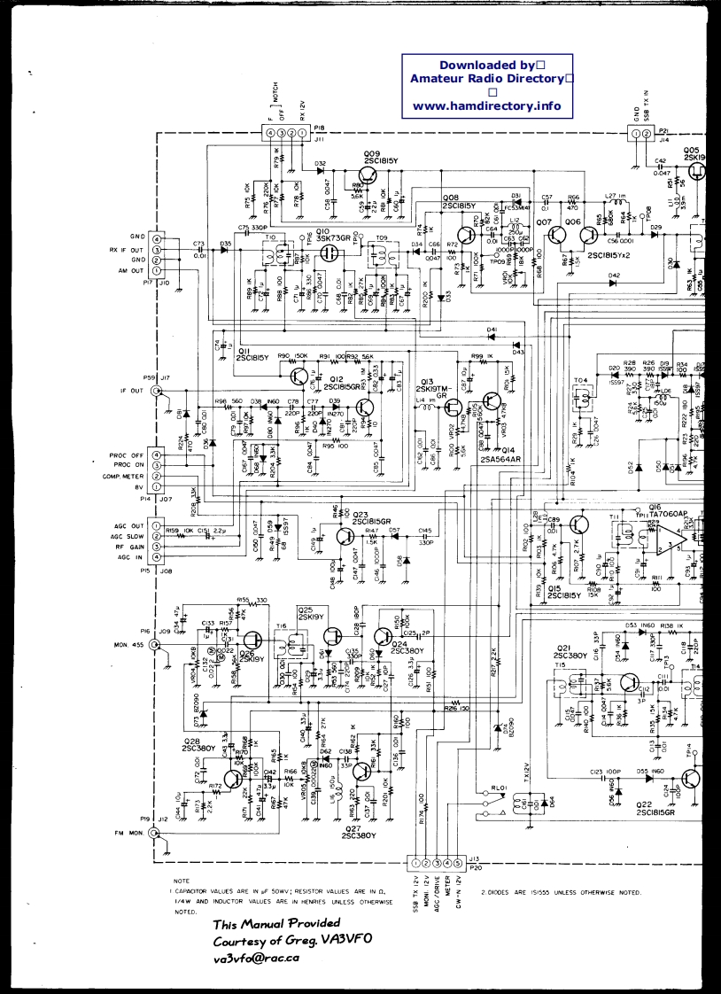
Downloaded by▣Amateur Radio Directory。3生经号豆89号器日90040080d阳8格神E4器Tm6P207H07401u507u889UCTOR L家022920023100器⊙2故N-deeWE包鑫M2/109,3E8SEU808L00d020096580d2950dol 1031区09Ld02031[的南豆号53
请登录后查看评论内容