

第1页 / 共50页

第2页 / 共50页

第3页 / 共50页

第4页 / 共50页

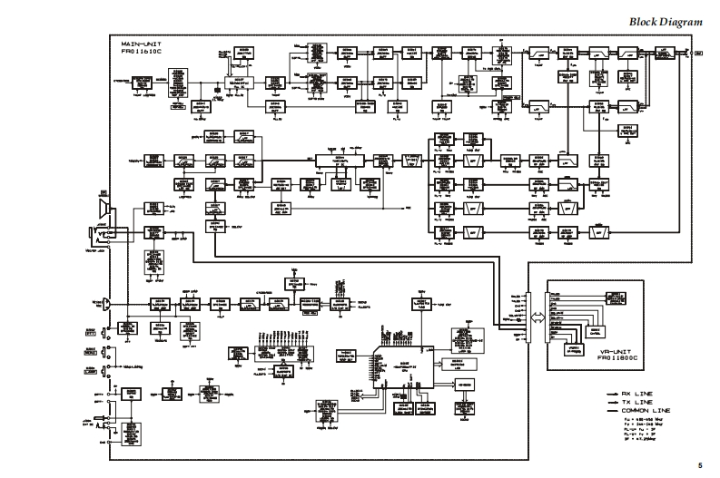
第5页 / 共50页
试读已结束,还剩45页,您可下载完整版后进行离线阅读
THE END
YAESUVERTEX STANDARD CO..LTD.4-8-8Nkegu,Meguro-Ku,Tokyo 153-8644,JapanVERTEX STANDARDUS Headquarters10900 Wake Street,Cypress,CA 90630.U.SA.FT-60RInternational Division8350 N.W.52nd Terrace,Suite 201,Miami,FL 33166,U.S.A.YAESU EUROPE B.V.P.O.Box 75525,1118 ZN Schiphdl,The NetherlandsYAESU UK LTD.Technical SupplementUnit 12.Sun Valley Business Park,Whnall CloseWnchester,Hampshie,S023 0LB,U.K.VERTEX STANDARD HK LTD.Unit 5.20/F..2005 VERTEX STANDARD CO.,LTD.EH017M90BDownloaded byRadioAmateur.EUIntroductionThis manual provides the technical information necessary forservicing the FT-60R VHF/UHF Dual Band Transceiver.Servicing this equipment requires expertise in handing sur-face-mount chip components.Attempts by non-qualified per-sons to service this equipment may result in permanent dam-age not covered by the warranty,and may be illegal in somecountries.YAESUTwo PCB layout diagrams are provided for each double-sidedboard in this transceiver.Each side of the board is referred toby the type of the majority of components installed on thatside ("Side A"or "Side B").In most cases one side has onlychip components(surface-mount devices),and the other has☐FM TRANSCEIVER FT-6Oeither a mixture of both chip and leaded components(trim-mers,coils,electrolytic capacitors,ICs,etc.),or leaded compo-nents only.墨While we believe the information in this manual to be correct,VERTEX STANDARD assumes no liability for damage that@可cmay occur as a result of typographical or other errors that mayAND DNw@be present.Your cooperation in pointing out any inconsisten-Ps元PSELcies in the technical information would be appreciated.ContentsSpecifications......2Exploded View Miscellaneous Parts.4Bl0 ck Diagram..…5Circuit Description..7Alignment..9Board Units(Schematics,Layouts Parts)MAIN Unit……13VR Unit.....47
请登录后查看评论内容