

第1页 / 共64页

第2页 / 共64页

第3页 / 共64页

第4页 / 共64页

第5页 / 共64页
试读已结束,还剩59页,您可下载完整版后进行离线阅读
THE END
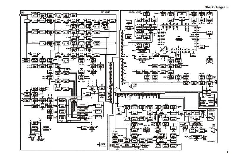
50/144/430 MHz Triple-BandVERTEX STANDARD CO..LTD.4-8-8 Nakameguro,Meguro-Ku,Tokyo 153-8644,JapanHeavy Duty Submersible TransceiverVERTEX STANDARDUS Headquarters10900 Walker Street,Cypeess,CA 90630,U.S.AVX-7RYAESU EUROPE B.V.P.O.Box 75525,1118 ZN Schiphol The NetherlandsYAESU UK LTD.Unit 12.Sun Valey Business Park,Winnall CloseTechnical SupplementWinchester,Hampshire,SO23 OLB.U.K.VERTEX STANDARD HK LTD.2003 VERTEX STANDARD CO.,LTD.EH009M90BIntroductionThis manual provides the technical information necessary for servicingthe VX-7R 50/144/430 MHzTriple-Band Heavy Duty Submersible Trans-ceiver.Servicing thisequipment requires expertise in handing surface-mountchip components.Attempts by non-qualified persons to service thisequipment may result in permanent damage not covered by the war-ranty,and may be illegal in some countries.Two PCB layout diagrams provided for each double-sided board inthis transceiver.Each side of the board is referred to by the type of themajority of components installed on that side("Side A"or"Side B").Inmost cases one side has only chip components,and the other has eithera mixture of both chip and leaded components(trimmers,coils,electro-DWDW WXND DNlytic capacitors,ICs,etc.),or leaded components only.While we believe the information in this manual to be correct,VER-TEX STANDARD assumes no liability for damage that may occur as aeresult of typographical or other errors that may be present.Your coop-eration in pointing out any inconsistencies in the technical informationwould be appreciated.ContentsSpecification…*444*2Exploded View Miscellaneous Parts .....................…4Block Diagram….5Interconnection Diagram .................…6Circuit Description...........Alignment……11Board Unit(Schematics,Layouts Parts)RF Unit...19AF Unit....33CNTL Unit.45VCO Unit.......59
请登录后查看评论内容