

第1页 / 共56页

第2页 / 共56页

第3页 / 共56页

第4页 / 共56页

第5页 / 共56页
试读已结束,还剩51页,您可下载完整版后进行离线阅读
THE END
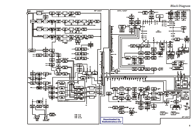
Dual-BandVERTEX STANDARD CO.,LTD.Heavy Duty Submersible Transceiver4-8-8 Nakameguro,Meguro-Ku Tokyo 153-8644,JapanVERTEX STANDARDUS Head quartersVX-6R10900 Waker Street,Cypress,CA 90630,U.S.A.YAESU EUROPE B.V.P.O.Box 75525,1118 ZN Schiphol,The NetherlandsYAESU UK LTD.Technical SupplementUnit 12.Sun Valey Business Park,Wimall CloseWinchester,Hampshire,S230LB,U.K.VERTEX STANDARD HK LTD.@2005 VERTEX STANDARD CO.,LTD..20/F SeavewCentre,139-141Hoi Bun Road.EH021M90AKwun Tong.Kowloon,Hong KongIntroductionThis manual provides the technical information necessary for servicingthe VX-6R Dual-Band Heavy Duty Submersible Transceiver.Servicing thisequipment requires expertise in handing surface-mountchip components.Attempts by non-qualified persons to service thisequipment may result in permanent damage not covered by the war-@的ranty,and may be illegal in some countries.Two PCB layout diagrams provided for each double-sided board inYAESUthis transceiver.Each side of the board is referred to by the type of themajority of components installed on that side("Side A"or"Side B").Inmost cases one side has only chip components,and the other has eithera mixture of both chip and leaded components(trimmers,coils,electro-lytic capacitors,ICs,etc.),or leaded components only.While we believe the information in this manual to be correct,VERTEX STANDARD assumes no liability for damage that may occuras a result of typographical or other errors that may be present.Yourcooperation in pointing out any inconsistencies in the technical infor-mation would be appreciated.Downloaded byRadioAmateur.EUContentsSpecification…2Exploded View Miscellaneous Parts ....4Block Diagram…5Interconnection Diagram .................…6Circuit Description….7Alignment…11Board Unit(Schematics,Layouts Parts)CNTL Unit…17AF Unit27RF Unit...37VCO Unit.53
请登录后查看评论内容