yaesu_fc30_service维修电器原理图手册

yaesu_fc30_service维修电器原理图手册-找手册网
yaesu_fc30_service维修电器原理图手册
此内容为付费资源,请付费后查看
1921
付费资源

第1页 / 共4页

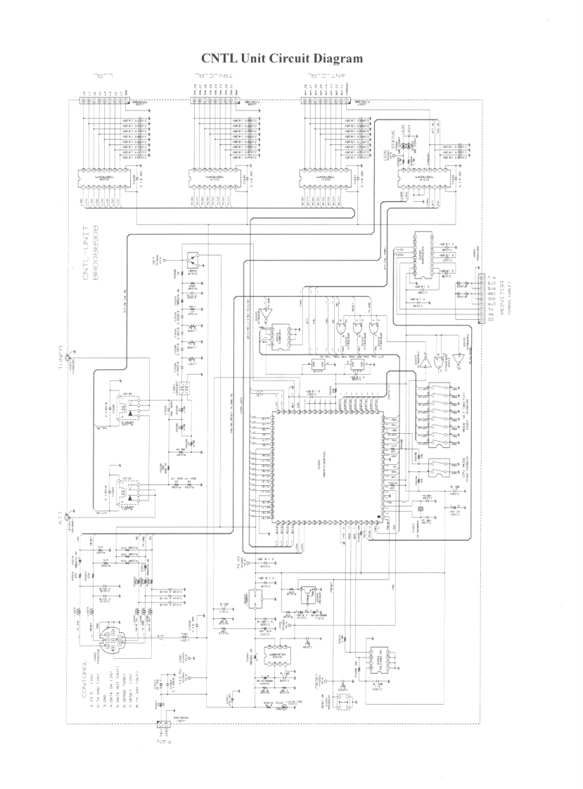
第2页 / 共4页

第3页 / 共4页

第4页 / 共4页
已完成全部阅读,共4
THE END
Automatic Antenna TunerFC-30Installation InstructionsThank you for your purchase of the model FC-30 Automatic Antenna Tuner,designed specifically for the FT-897HF/VHF/UHF Transceiver.The FC-30 includes a cooling fan to ensure thermal stability of the critical matchingelements within its compact case.The FC-30 Automatic Antenna Tuner responds to control commands from the FT-897 Transceiver,providingmicroprocessor-based impedance matching on the 160 through 6 meter Amateur bands.On the HF and 50 MHzbands the impedance matching range is from 16.59 to 150(up to 3:1 SWR).Accordingly,the FC-30 shouldnot be expected to match"long wire"type antennas unless you have taken specific design steps to ensure thatthe impedance presented to the FC-30 is within these specifications.Please refer to the FT-897 Operating Manual for operating instructions.Rear Panel InformationConnect the interconnecting ControlCable from the FT-897 to this min-iature DIN connector.Use this"M"type ("SO-239")jack forANTThis"M"type ("SO-239")coaxial jackconnection of the interconnecting coaxialaccommodate the antenna input for thecable from the FT-897.FC-30.Interconnections to FT-897To 144MHz/430MHz AntennaControl CableTo HF/50MHz Antenna◎◎SuppliedCoaxial Cable日本語)說明甘裹面二記載乙莎志可,0210a-BK
喜欢就支持一下吧
评论 抢沙发

请登录后发表评论

    请登录后查看评论内容