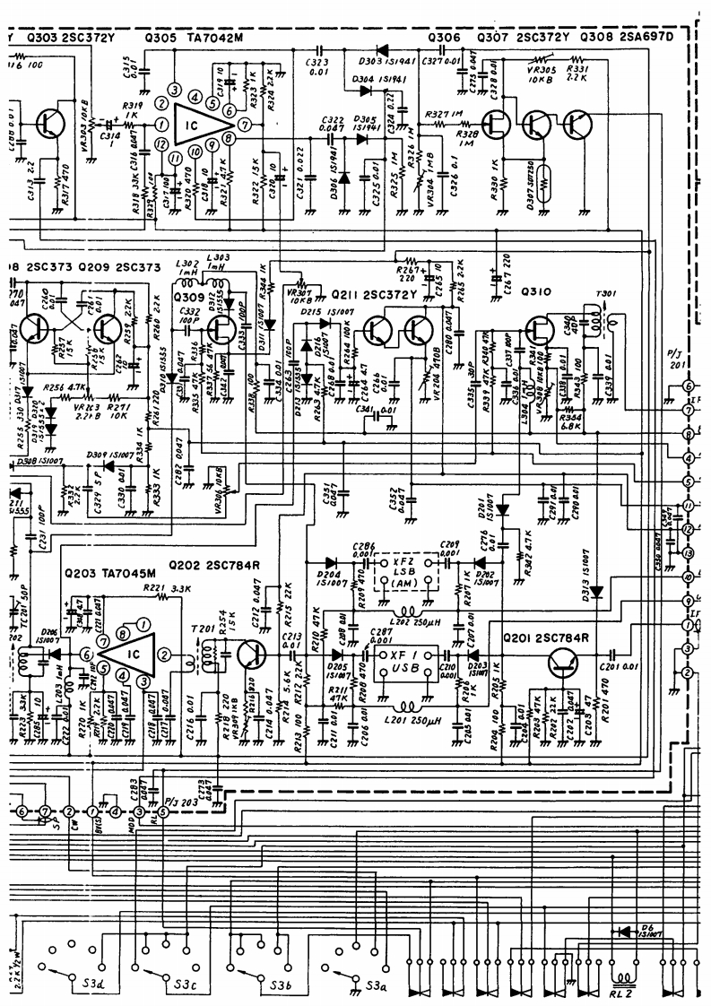
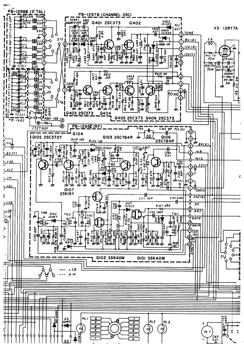
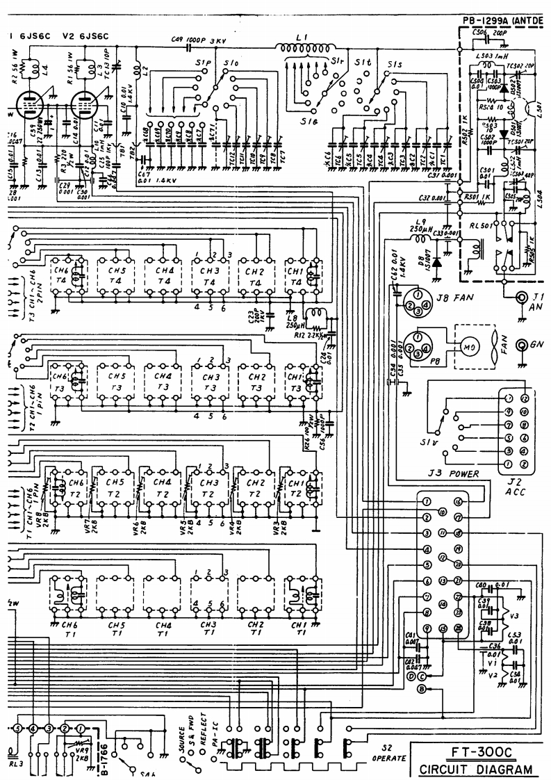
Yaesu_FT-300C_参考电器原理图

Yaesu_FT-300C_参考电器原理图-找手册网
Yaesu_FT-300C_参考电器原理图
此内容为付费资源,请付费后查看
1921
付费资源

第1页 / 共4页

第2页 / 共4页

第3页 / 共4页

第4页 / 共4页
已完成全部阅读,共4
THE END
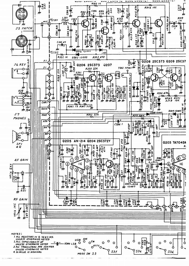
R305 1K3L301R319MIC1J201270HJ5 PATCHC310c34NL'P151+4C34547✉+rH灯202D316MR3521KD302131555R353470MQ2082SC373Q2092SC3702062sC37302072027R25022KT203TP201X201/0.7MH20P023R2564.7KCARIGAIND309 /SIGR2723KPHONESA3hC2841A网1668222A0205AN-214Q2042SC372YSPQ203TA7045A+3AF GAIN⑨⑦T202⑦②③5)④⑤31660123D207D210151007图RF GAIN国卖鞋NOTES:USB2.ALL CAPACITORS IN UFUNLESS OTHERWISE NOTED3 ALL TRANS5R5AREESS OTHERWISE NOTE4,泰VALUE IS NOMINALQ0MODE SW S3S3f53d
喜欢就支持一下吧
评论 抢沙发

请登录后发表评论

    请登录后查看评论内容