yaesu_ft_840_schematic电器原理图

yaesu_ft_840_schematic电器原理图-找手册网
yaesu_ft_840_schematic电器原理图
此内容为付费资源,请付费后查看
1921
付费资源

第1页 / 共4页

第2页 / 共4页

第3页 / 共4页

第4页 / 共4页
已完成全部阅读,共4
THE END
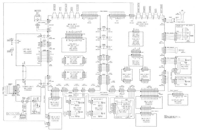
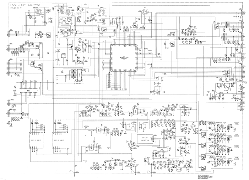
HETERIM1g白g9象EE色4阳天利a金LOCAL-UNITVAIN-UNIT0,20x-四0,I00-BEF32921g1F3391000F33941018e日琴目:足球588日5g回习缸T南110289足g55:9日581C知UwF3371612LPF-LNIT451040ND.4000旬-CN-FILTER-UNIT-1120REG-UNIT=2F3▣5508VR-C-LNIT学家50.T]00F39414AM-FILTER-ra2c161VR-D-LINI T000.可」声日g后825写83R--日58E日88ga日1星DISPLAY-UNITS有-B-UN1T0.30N0.92XX1F3可103310F104107.90.720T10610】WIC-LNTT340,95DC13.5VJ2本可8g日0SW-A-UNITF3399103西袋…w0.91×灯SV-D-UNITF33941060,F3393192
喜欢就支持一下吧
评论 抢沙发

请登录后发表评论

    请登录后查看评论内容