

第1页 / 共8页

第2页 / 共8页

第3页 / 共8页

第4页 / 共8页

第5页 / 共8页
试读已结束,还剩3页,您可下载完整版后进行离线阅读
THE END
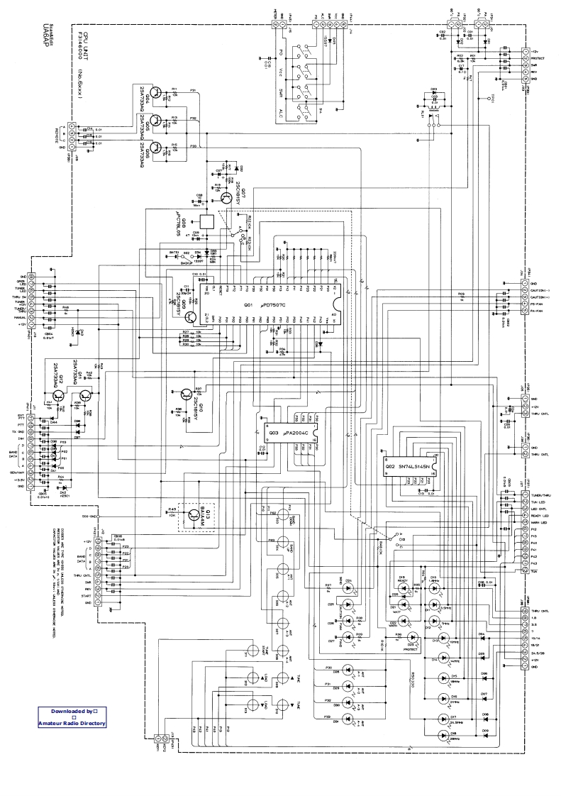
AUTO TUNER RELAY LNIT F2780000 (Ne.93X]000日-7000AUTO TUNER CONNECTION DIAGRAMDownloaded by□■Amateur Radio DirectoryTHRUPWR INOANTANTCOUPLERTUNPICKUPTUNELOADQ92179207.825℃4Y25K152-3MOTOR DRIVEMOTORMOTORADDERAUTO STARTQ921929R9102VR9102C321977C1/4C14066BGFPOSITIONPOSITION1/4MC140668CPCMPTRAN SWSENSORSENSORAN SWBAND09219Q9219a201.225A4921/4C14066阳C1/4C1406BBC923424T然MOTORAN SWAN SHMOTOR DRIVEQ9209Q92182sC2120YD/A1/2PC277CMOTOR DRIVECMPTR-O THRU CNTLOREV三OBAN0DATA9OSTART99010◆OKEY MATRIX25C4598Q9211RESET+5-O TUNuPD7507CO SWR09212a9013CPU0+12V2sC4588+5VBACKUPVOL REG+12V
请登录后查看评论内容