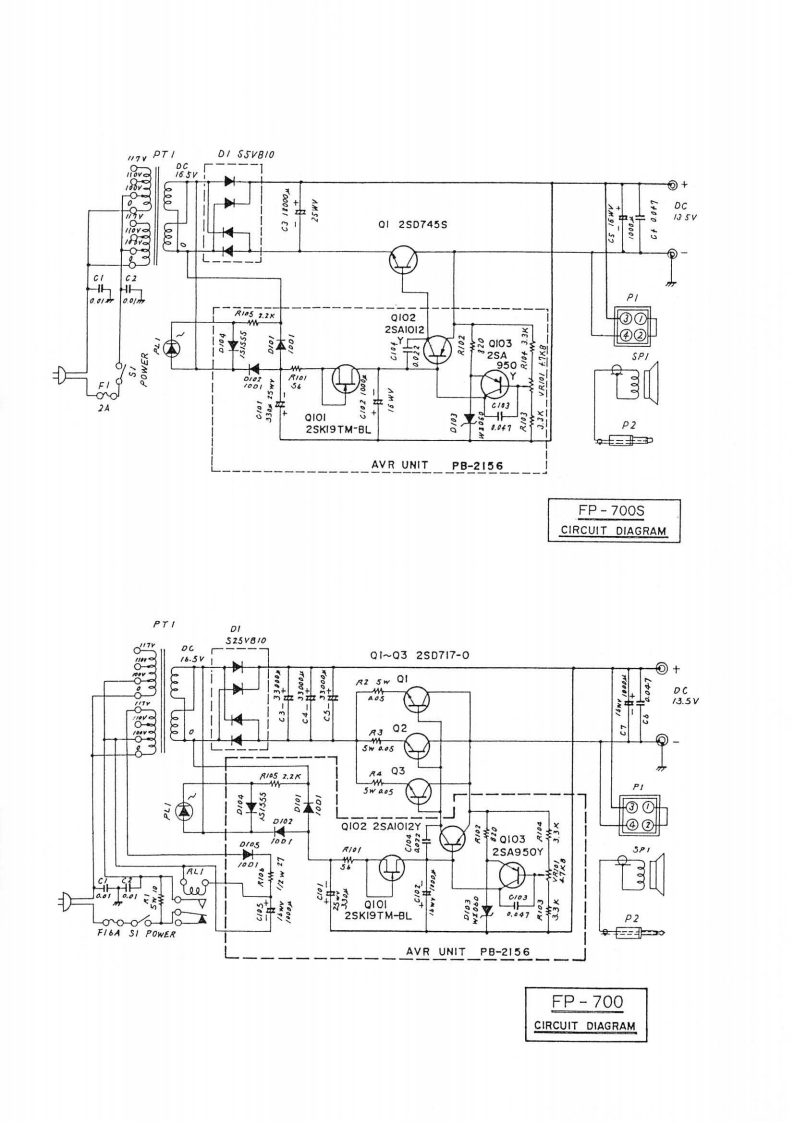
八重洲Yaesu_FP-700_S_电器原理图找手册网34天前发布关注私信0.45MB1页033八重洲Yaesu_FP-700_S_电器原理图此内容为付费资源,请付费后查看¥19¥21黄金会员免费钻石会员免费登录购买付费资源 第1页 / 共1页 已完成全部阅读,共1页 THE END八重洲 文本预览 T VD1S5v8/0回+2SD745S品Q102M2SA1012找oo32SA502A01012SKI9TM-BLP20f=}✉PAVR UNITPB-2156FP-700SCIRCUIT DIAGRAMDI525v810Q1Q32SD717-0+R2 5w QIR3023we503522K料o1o32SA950Y01012SKI9TM-BLP2FI6ASI POWERAVR UNITPB-2156FP-700CIRCUIT DIAGRAM 查看更多 收起部分 喜欢就支持一下吧收藏
请登录后查看评论内容